GM Service Manual Online
For 1990-2009 cars only
Makes
🢒
Chevrolet
🢒
2005
🢒
Chevy C Silverado - 2WD
🢒 4.3L
4.3L
4.3L
Master Electrical Component List
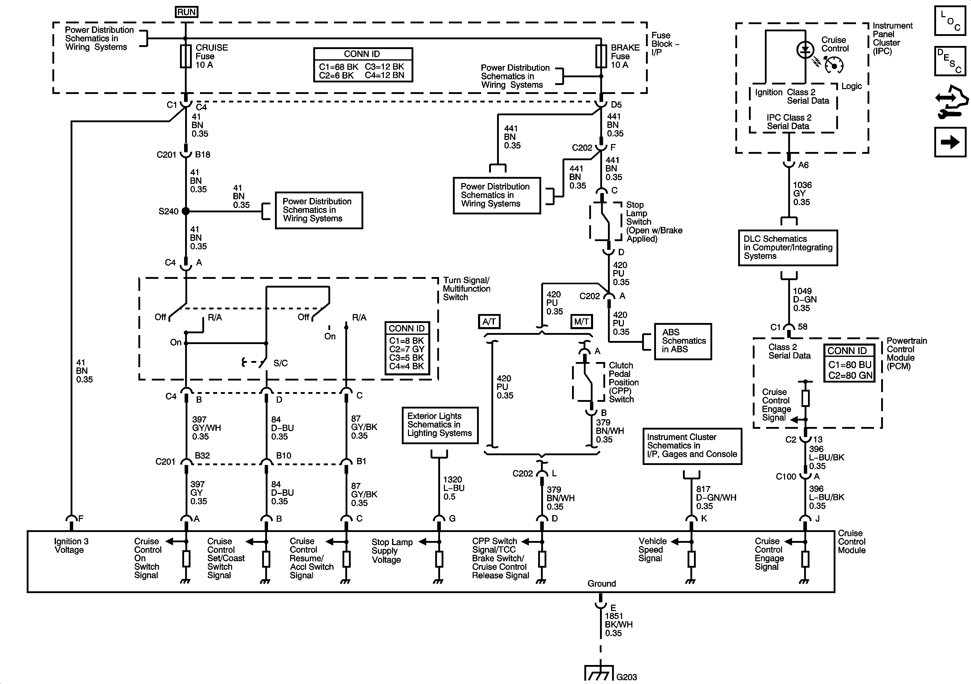
Cruise Control Description and Operation 4.3L
Control Module References
4.8L, 5.3L 6.0L, and 8.1L
Ignition Switch - START, RUN, and ACC/RUN/START Bus Bars and IGN A and CRANK Fuses
4WD, BRAKE, CRUISE, HTR/AC, HVAC 1, and IGN 3 Fuses
4WD, BRAKE, CRUISE, HTR/AC, HVAC 1, and IGN 3 Fuses
4WD, BRAKE, CRUISE, HTR/AC, HVAC 1, and IGN 3 Fuses
Power, Ground, DLC and Splice Pack SP 205
Power, Ground, Serial Data, Indicator and Stop Lamp Switch - Over 8600 GVW or Rear Drum Brakes
Stop Lamps - GMC
Gages, Vehicle Speed Signal, Engine Oil Pressure, and Fuel Level Sensors
G203 - 1 of 2