GM Service Manual Online
For 1990-2009 cars only
Makes
🢒
Chevrolet
🢒
2005
🢒
Chevy C Silverado - 2WD
🢒 Stop Lamps - GMC
Stop Lamps - GMC
Stop Lamps - GMC
Master Electrical Component List
Exterior Lighting Systems Description and Operation
Control Module References
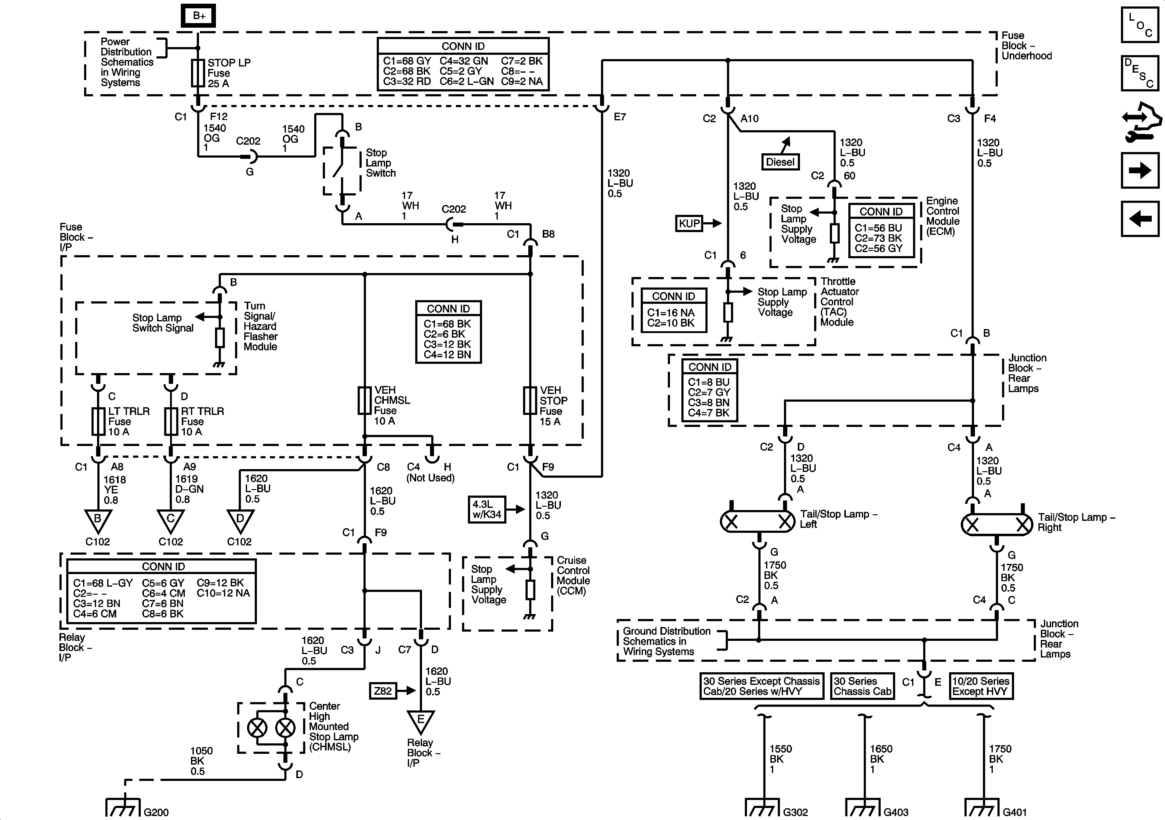
Stop Lamps - Chevrolet
Left Rear Park Lamps - Chevrolet
B+ Bar Bus
Trailer and Camper Wiring
Trailer and Camper Wiring
Trailer and Camper Wiring
G302
Trailer and Camper Wiring
G115 and G200 - 1 of 2
G302
G403
G401