GM Service Manual Online
For 1990-2009 cars only
Makes
🢒
Chevrolet
🢒
2005
🢒
Chevy C Silverado - 2WD
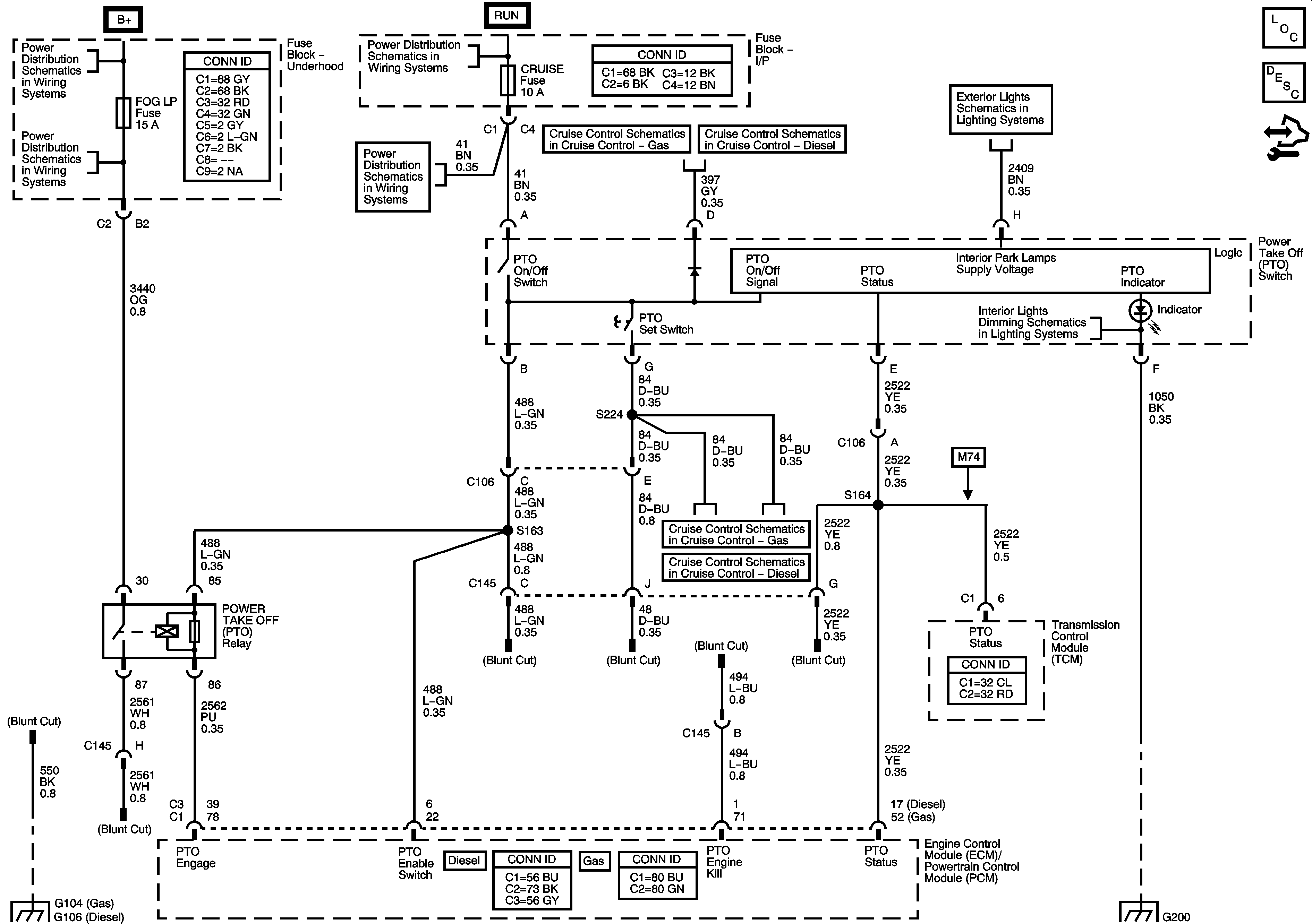
🢒 Power Takeoff
Power Takeoff
Master Electrical Component List
Power Take-Off (PTO) Description and Operation
Control Module References
B+ Bar Bus
CIG LTR, EAP, INFO, and RVC Fuses
Ignition Switch - START, RUN, and ACC/RUN/START Bus Bars and IGN A and CRANK Fuses
4WD, BRAKE, CRUISE, HTR/AC, HVAC 1, and IGN 3 Fuses
4.8L, 5.3L 6.0L, and 8.1L
Diesel
Interior Park
4.8L, 5.3L 6.0L, and 8.1L
Diesel
G104, G106, G107 and G110
G115 and G200 - 1 of 2