GM Service Manual Online
For 1990-2009 cars only
Makes
🢒
Chevrolet
🢒
2005
🢒
Chevy C Silverado - 2WD
🢒 Fuel Controls - Fuel Pump, Temperature, and Pressure Controls
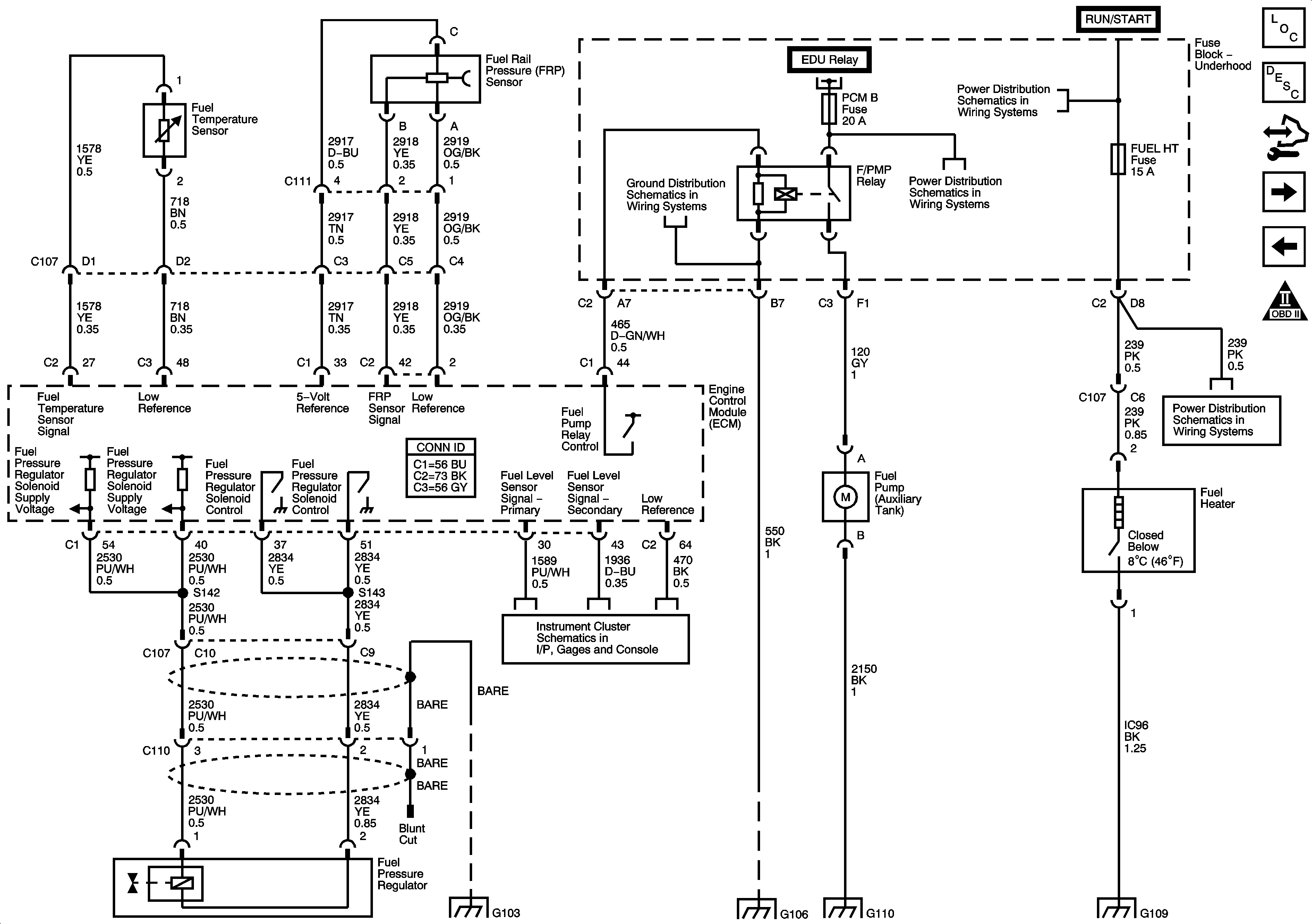
Fuel Controls - Fuel Pump, Temperature, and Pressure Controls
Fuel Controls - Fuel Pump, Temperature, and Pressure Controls
Master Electrical Component List
Fuel System Description
Control Module References
Fuel Controls - Fuel Injectors
Engine Data Sensors - Glow Plug Controls
Engine Controls Schematic Icons
G102, G103, G108 and G109 - Diesel
Module Power, Ground, Serial Data, and MIL
AUX PWR, AUX PWR 2, DDM, ECC, LBEC 2, LOCKS, PCM B, and PDM Fuses
Ignition Switch - ACC/RUN and RUN/START Bus Bars and IGN B Fuse
ECM-I, EHPS-I, FUEL HT, and HCM-I Fuses
G102, G103, G108 and G109 - Diesel
Gages, Vehicle Speed Signal, Engine Oil Pressure, and Fuel Level Sensors
G102, G103, G108 and G109 - Diesel
G104, G106, G107 and G110
G102, G103, G108 and G109 - Diesel