GM Service Manual Online
For 1990-2009 cars only
Makes
🢒
Chevrolet
🢒
2005
🢒
Chevy C Silverado - 2WD
🢒 Fuel Controls - EVAP Controls
Fuel Controls - EVAP Controls
Fuel Controls - EVAP Controls
Master Electrical Component List
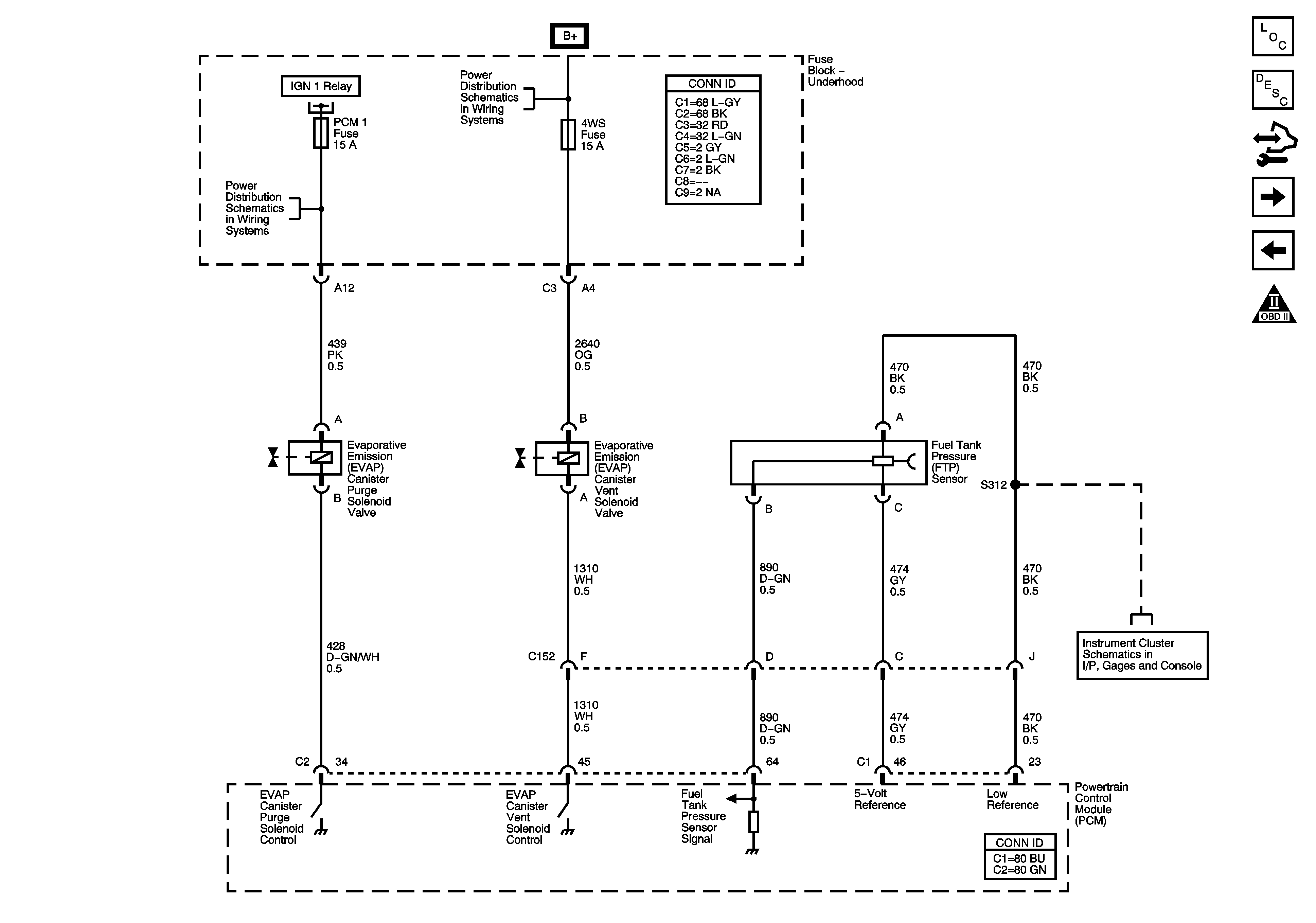
Evaporative Emission Control System Description
Control Module References
Transmission and Controlled/Monitored Subsystem References
Fuel Controls - Fuel Injectors
Engine Controls Schematic Icons
ETC/ECM, INJ 1, INJ 2, PCM 1, and SBA Fuses - Gas
Module Power, Ground, Serial Data, and MIL
B+ Bar Bus
Gages, Vehicle Speed Signal, Engine Oil Pressure, and Fuel Level Sensors