GM Service Manual Online
For 1990-2009 cars only
Makes
🢒
Chevrolet
🢒
2000
🢒
Chevy K Pickup - 4WD
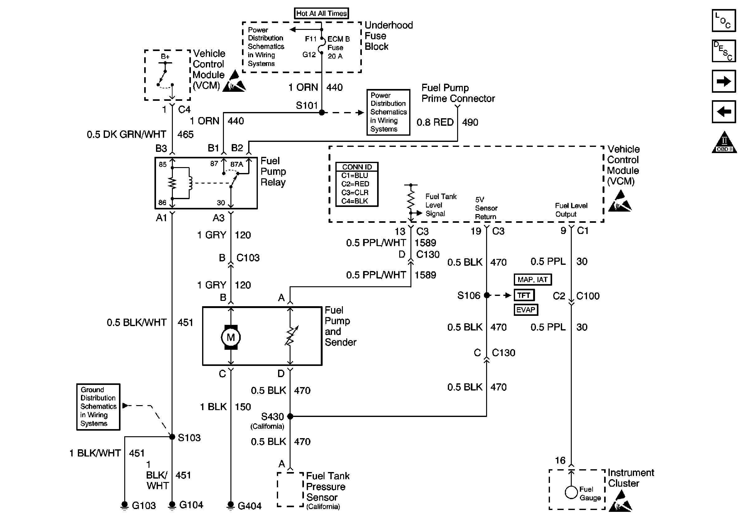
🢒 Fuel Pump Control-Single Tank
Fuel Pump Control-Single Tank
Fuel Pump Control--Single Tank
Battery, and Underhood Fuse Block
ECM-B, HORN and A/C COMP Fuses
G103 and G104
Engine Data Sensors
A/T Controls-Internal Switches. TFT, PC Solenoid Valve, and TISS
EVAP and EGR Controls, Fuel Tank Pressure Sensor
Handling ESD Sensitive Parts Notice
Handling ESD Sensitive Parts Notice
OBD II Symbol Description Notice
Gauges
Ignition System
Fuel Pump Control - Dual Tanks
Engine Controls Components
Fuel Supply Component Description