GM Service Manual Online
For 1990-2009 cars only
Makes
🢒
Chevrolet
🢒
1998
🢒
Chevy P12 Chassis
🢒
Body and Accessories
🢒
Lighting Systems
🢒 Headlights/Daytime Running Lights (DRL) Schematics
Figure
1:
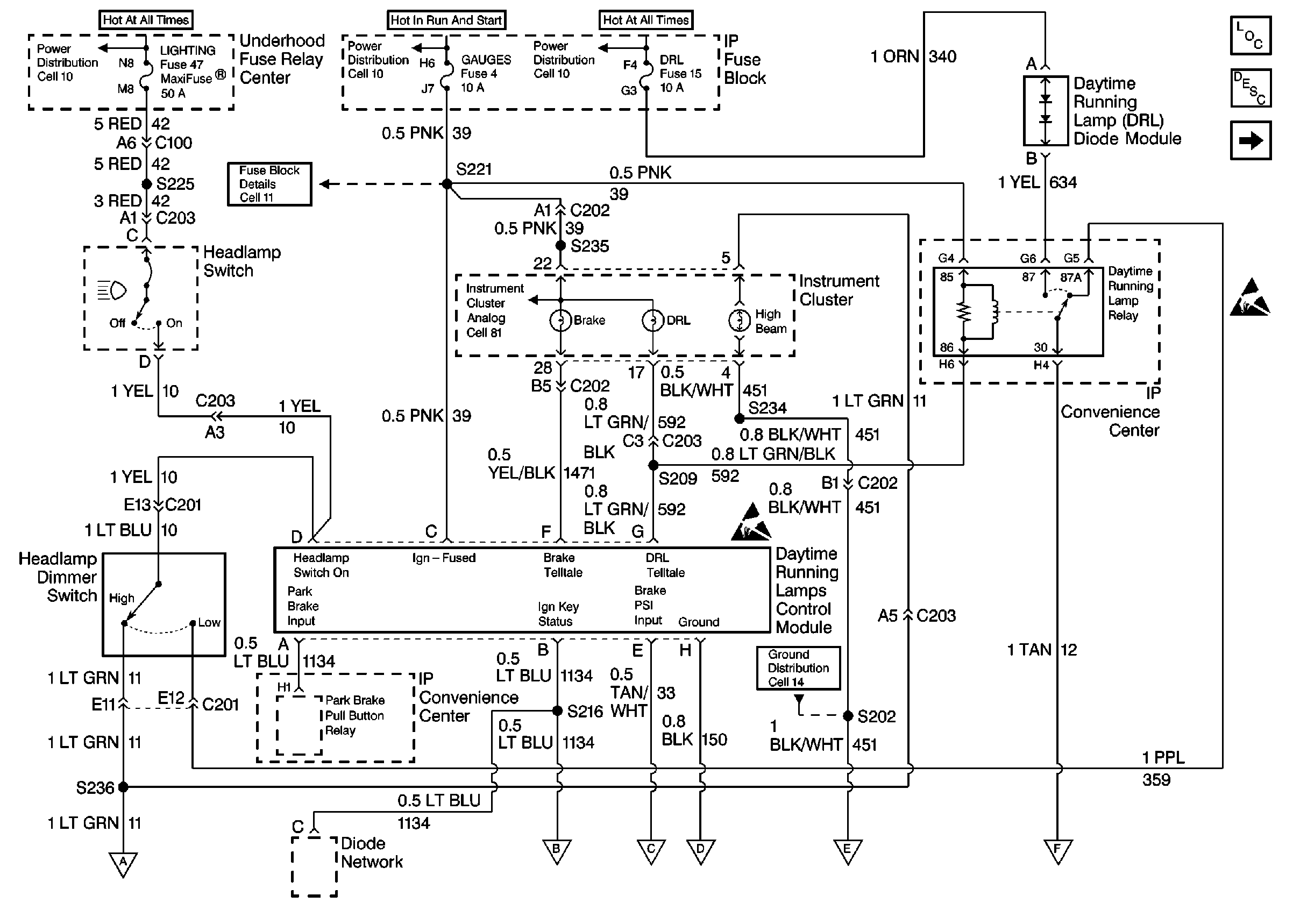
Cell 102: Fuses, DRL System, Indicators
Cell 10: Battery, Always Hot Primary Fuses
Cell 10: Hot in Run and Start Fuses
Cell 10: Always Hot Secondary Fuses
Cell 11: Gauges, Turn/Backup, and ETM fuses
Cell 14: G102
Lighting Systems Components
Lighting System Operation
Cell 102: Headlights, Indicator Controllers
Handling Electrostatic Discharge Sensitive Parts Notice
Handling Electrostatic Discharge Sensitive Parts Notice
Cell 81: Gauges and Indicators
Cell 102: Headlights, Indicator Controllers
Cell 102: Headlights, Indicator Controllers
Cell 102: Headlights, Indicator Controllers
Cell 102: Headlights, Indicator Controllers
Cell 102: Headlights, Indicator Controllers
Cell 102: Headlights, Indicator Controllers
Figure
2:
Cell 102: Headlights, Indicator Controllers
Cell 102: Fuses, DRL System, Indicators
Cell 102: Fuses, DRL System, Indicators
Cell 102: Fuses, DRL System, Indicators
Cell 102: Fuses, DRL System, Indicators
Cell 102: Fuses, DRL System, Indicators
Cell 102: Fuses, DRL System, Indicators
Cell 102: Fuses, DRL System, Indicators
Cell 102: Fuses, DRL System, Indicators
Cell 14: G102
Cell 14: G104
Cell 14: G105, G106, G107, (Dual Headlamps)
Cell 14: G105, G106, G107, (Dual Headlamps)
Lighting Systems Components
Lighting System Operation
Cell 102: Fuses, DRL System, Indicators
OBDII Symbol Description Notice
OBDII Symbol Description Notice
Handling Electrostatic Discharge Sensitive Parts Notice
Handling Electrostatic Discharge Sensitive Parts Notice
Cell 14: G200