GM Service Manual Online
For 1990-2009 cars only
Makes
🢒
Chevrolet
🢒
1999
🢒
Chevy P12 Chassis
🢒
Body and Accessories
🢒
Lighting Systems
🢒 Headlights/Daytime Running Lights (DRL) Schematics
Figure
1:
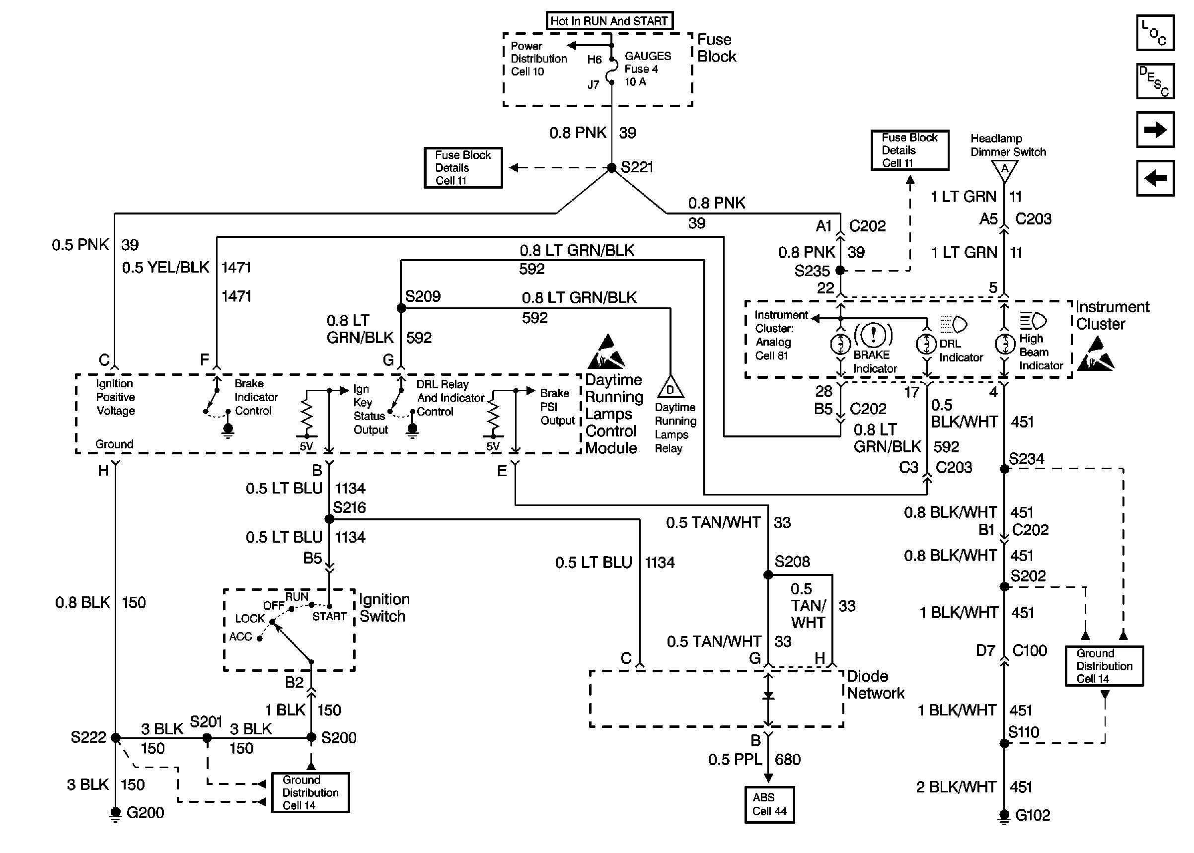
Cell 102: Headlamps and Headlamps Dimmer Switch
Lighting Systems Components
Exterior Lights Circuit Description
Cell 102: DRL Control Module
Cell 10: Battery, Starter, Junction Block
Cell 10: Junction Block
Cell 10: Fuse Block, Headlamp Switch
Cell 11: GAUGES, TURN/BU, and TAC fuses
Cell 11: HORN, BRAKE LPS, PCM BATT, A/C CMPR, and FUEL PUMP fuses
Handling ESD Sensitive Parts Notice
Cell 41: Brake Warning Relays
Cell 102: DRL Control Module
Cell 102: DRL Control Module
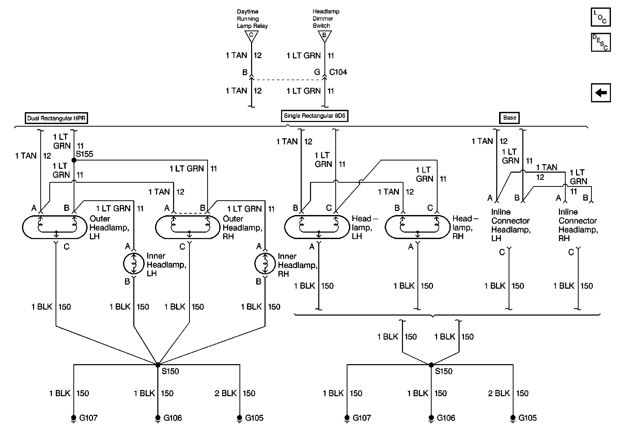
Cell 102: Headlamps
Cell 102: Headlamps
Figure
2:
Cell 102: DRL Control Module
Lighting Systems Components
Exterior Lights Circuit Description
Cell 102: Headlamps
Cell 102: Headlamps and Headlamps Dimmer Switch
Cell 10: Junction Block
Cell 11: GAUGES, TURN/BU, and TAC fuses
Cell 11: GAUGES, TURN/BU, and TAC fuses
Cell 102: Headlamps and Headlamps Dimmer Switch
Handling ESD Sensitive Parts Notice
Cell 102: Headlamps and Headlamps Dimmer Switch
Handling ESD Sensitive Parts Notice
Cell 14: G200
Cell 44: Antilock Brake Warning Circuit
Cell 14: G102
Figure
3:
Cell 102: Headlamps
Lighting Systems Components
Exterior Lights Circuit Description
Cell 102: DRL Control Module
Cell 102: Headlamps and Headlamps Dimmer Switch
Cell 102: Headlamps and Headlamps Dimmer Switch