GM Service Manual Online
For 1990-2009 cars only
Makes
🢒
Chevrolet
🢒
1998
🢒
Chevy P42 Commercial Chassis
🢒 Cell 40
Cell 40
Cell 40
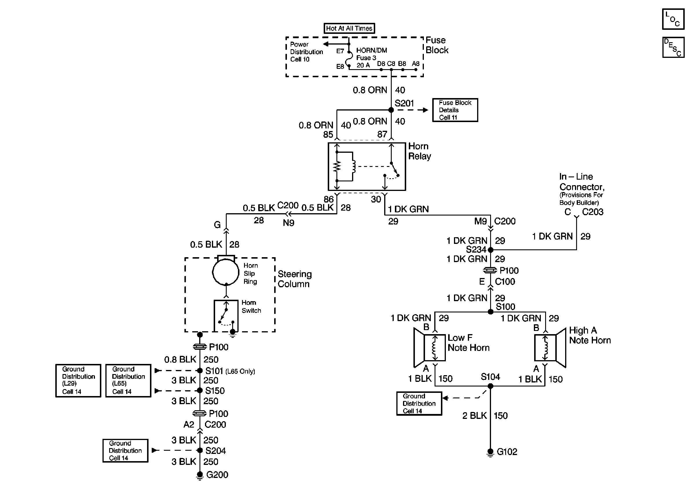
Horn Component Views P32
Horns Circuit Description
Cell 10: Fuse Block
Cell 11: STOP-HAZ, TAIL LPS, and HORN DM fuses
Cell 14: S150 and S101 [L29]
Cell 14: S150 and S101 [L65]
Cell 14: G200
Cell 14: G101, G102, and G107 [Single Headlamps]