GM Service Manual Online
For 1990-2009 cars only
Makes
🢒
Chevrolet
🢒
1998
🢒
Chevy P42 Commercial Chassis
🢒 Cell 34: L65
Cell 34: L65
Cell 34: L65
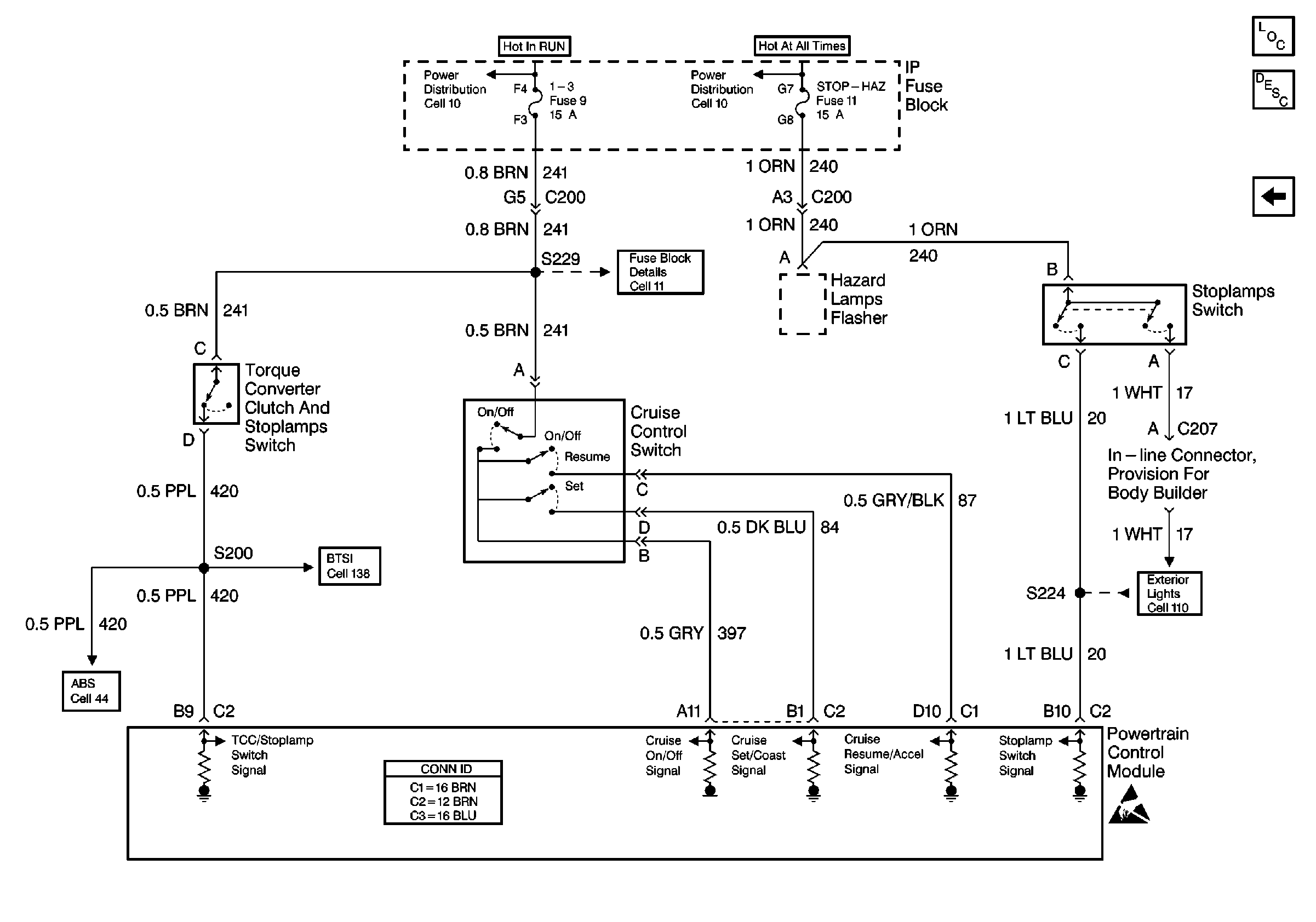
Cruise Control Components
Cell 34: L29
Cell 10: Ignition Switch and Fuse Block
Cell 10: Fuse Block
Cell 11: I-3, TURN BU and HTR fuses, PWR CKT BRKR 2 and AUX CKT BRKR13
Cell 44: Diesel, ABS Power and Grounding, DLC Output
Cell 138: P32 BTSI Circuit
Cell 110: Turn Signal Switch
Handling ESD Sensitive Parts Notice