GM Service Manual Online
For 1990-2009 cars only
Makes
🢒
Chevrolet
🢒
1998
🢒
Chevy P42 Commercial Chassis
🢒 Cell 34: L29
Cell 34: L29
Cell 34: L29
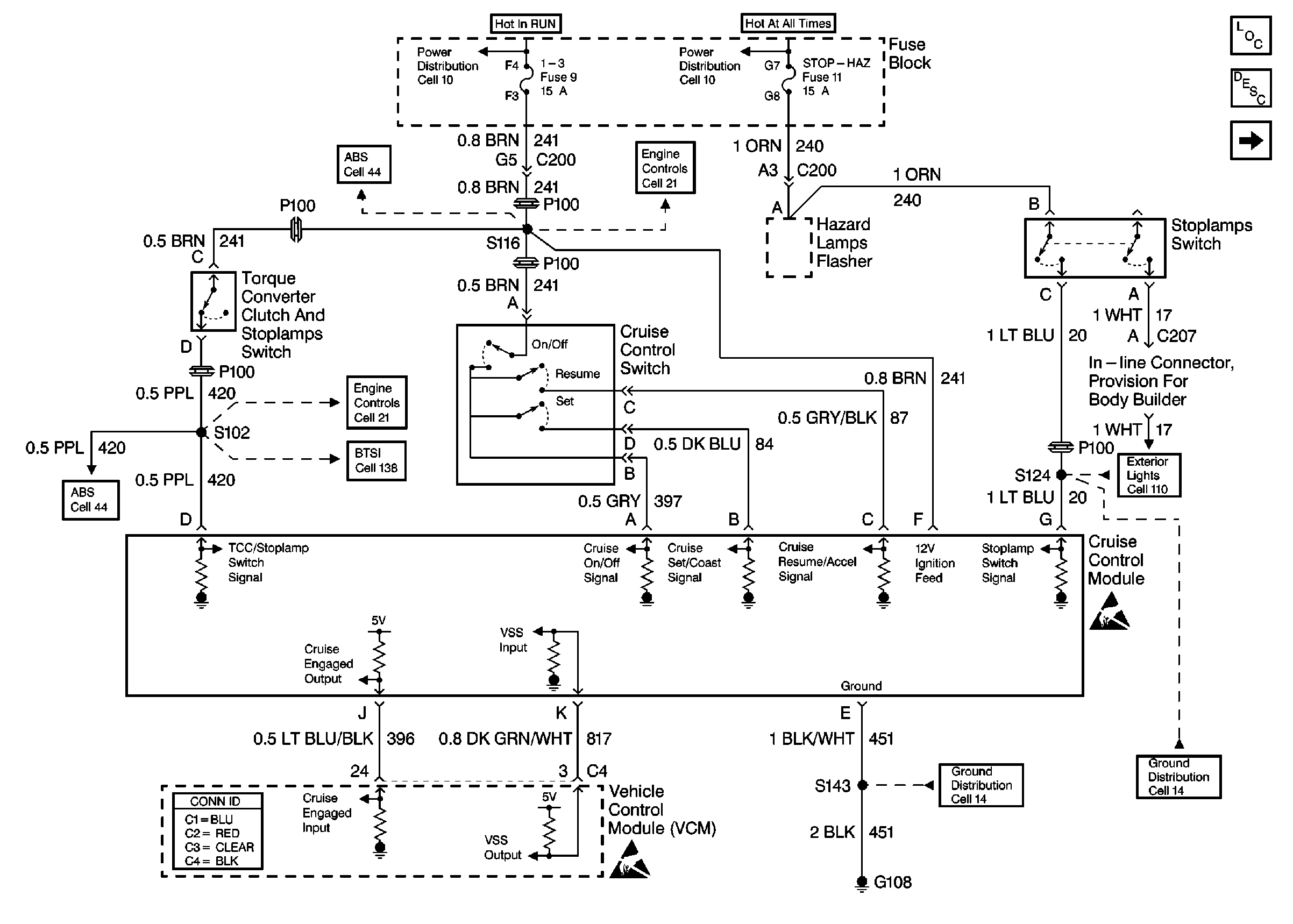
Cruise Control Components
Cell 34: L65
Cell 10: Ignition Switch and Fuse Block
Cell 10: Fuse Block
Cell 44: Gas, ABS Power and Grounding, DLC Output
Cell 21: VCM Power and Grounding, MIL, DLC
Cell 21: A/T Controls 1 - Stoplamp/TCC Switch, Internal Solenoids
Cell 44: Gas, ABS Power and Grounding, DLC Output
Cell 138: P32 BTSI Circuit
Cell 110: Turn Signal Switch
Cell 14: G108 [L29]
Cell 14: G103, G105, G106, and G110 [L29]
Handling ESD Sensitive Parts Notice
Handling ESD Sensitive Parts Notice