GM Service Manual Online
For 1990-2009 cars only
Makes
🢒
Chevrolet
🢒
1998
🢒
Chevy P42 Commercial Chassis
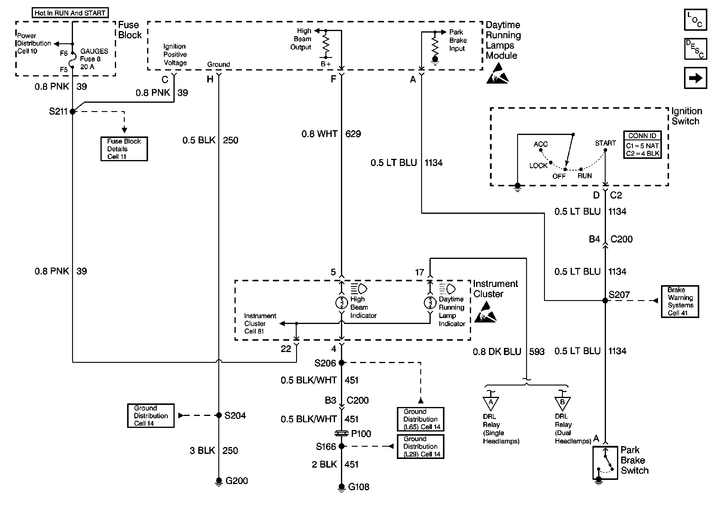
🢒 Cell 102: Ignition Switch and IP Cluster
Cell 102: Ignition Switch and IP Cluster
Cell 102: Ignition Switch and IP Cluster
Lighting Systems Components P32
Exterior Lights Circuit Description P32
Cell 102: Single Headlamps
Cell 10: Ignition Switch and Fuse Block
Handling ESD Sensitive Parts Notice
Cell 11: GAUGES and TRANS fuses
Cell 81: Indicators and Illumination Lamps
Handling ESD Sensitive Parts Notice
Cell 41: Brake Warning System - US
Cell 14: G200
Cell 14: G108 [L65]
Cell 14: G108 [L29]
Cell 102: Single Headlamps
Cell 102: Dual Headlamps