GM Service Manual Online
For 1990-2009 cars only
Makes
🢒
Chevrolet
🢒
1998
🢒
Chevy P42 Commercial Chassis
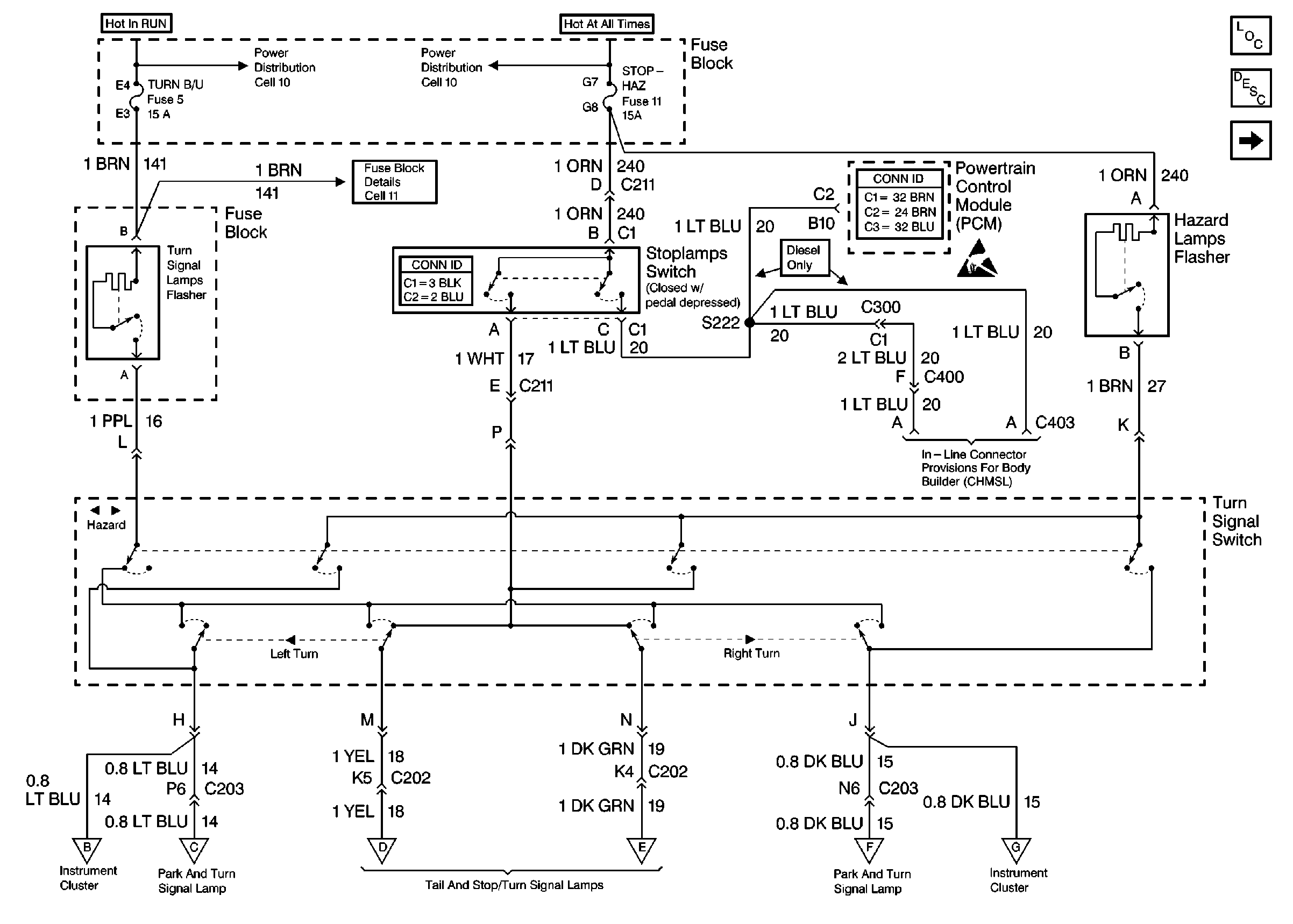
🢒 Cell 110: Turn Signal Switch
Cell 110: Turn Signal Switch
Cell 110: Turn Signal Switch
Lighting Systems Components P42
Exterior Lights Circuit Description P42
Cell 110: Headlamps Switch and Turn Signal Indicators
Cell 10: Ignition Switch and Fuse Block
Cell 10: Fuse Block and Headlamp Switch
Cell 11: I-3, TURN-B/U, and HTR fuses, AUX CKT BRKR 13
Cell 110: Headlamps Switch and Turn Signal Indicators
Cell 110: Forward Lamps
Cell 110: Rear Lamps
Cell 110: Rear Lamps
Cell 110: Forward Lamps
Cell 110: Headlamps Switch and Turn Signal Indicators
Handling ESD Sensitive Parts Notice