GM Service Manual Online
For 1990-2009 cars only
Makes
🢒
Chevrolet
🢒
1998
🢒
Chevy P42 Commercial Chassis
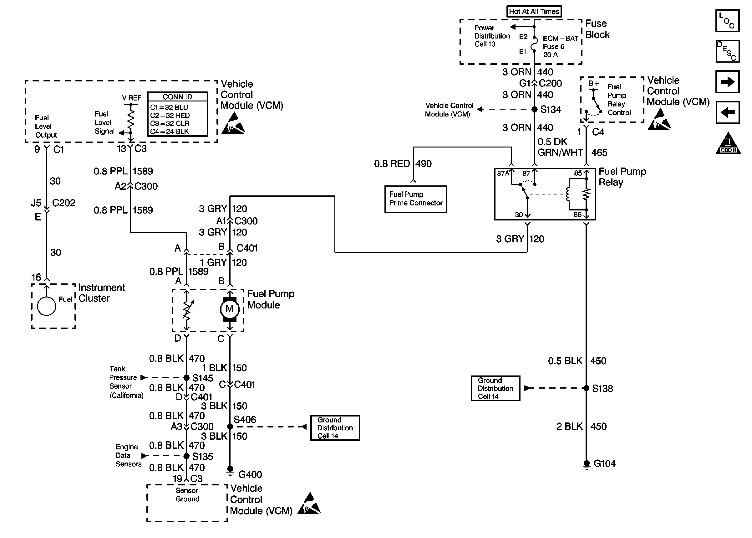
🢒 Cell 21: Fuel Controls - Pump Control
Cell 21: Fuel Controls - Pump Control
Cell 21: Fuel Controls -- Pump Control
Engine Controls Components
Central Sequential Duel Injection Fuel System Description
Cell 21: Fuel Controls - Injectors
Cell 21: Ignition System
OBD II Symbol Description Notice
Handling ESD Sensitive Parts Notice
Cell 21: Power and Grounding
Cell 10: Fuse Block and Headlamp Switch
Handling ESD Sensitive Parts Notice
Cell 14: G104 [L31/L35]
Cell 14: G105, G106, G110, G400, and G401
Handling ESD Sensitive Parts Notice
Cell 21: Engine Data Sensors - MAP, IAT, TP ECT
Cell 21: EVAP and EGR Controls