GM Service Manual Online
For 1990-2009 cars only
Makes
🢒
Chevrolet
🢒
1998
🢒
Chevy P42 Commercial Chassis
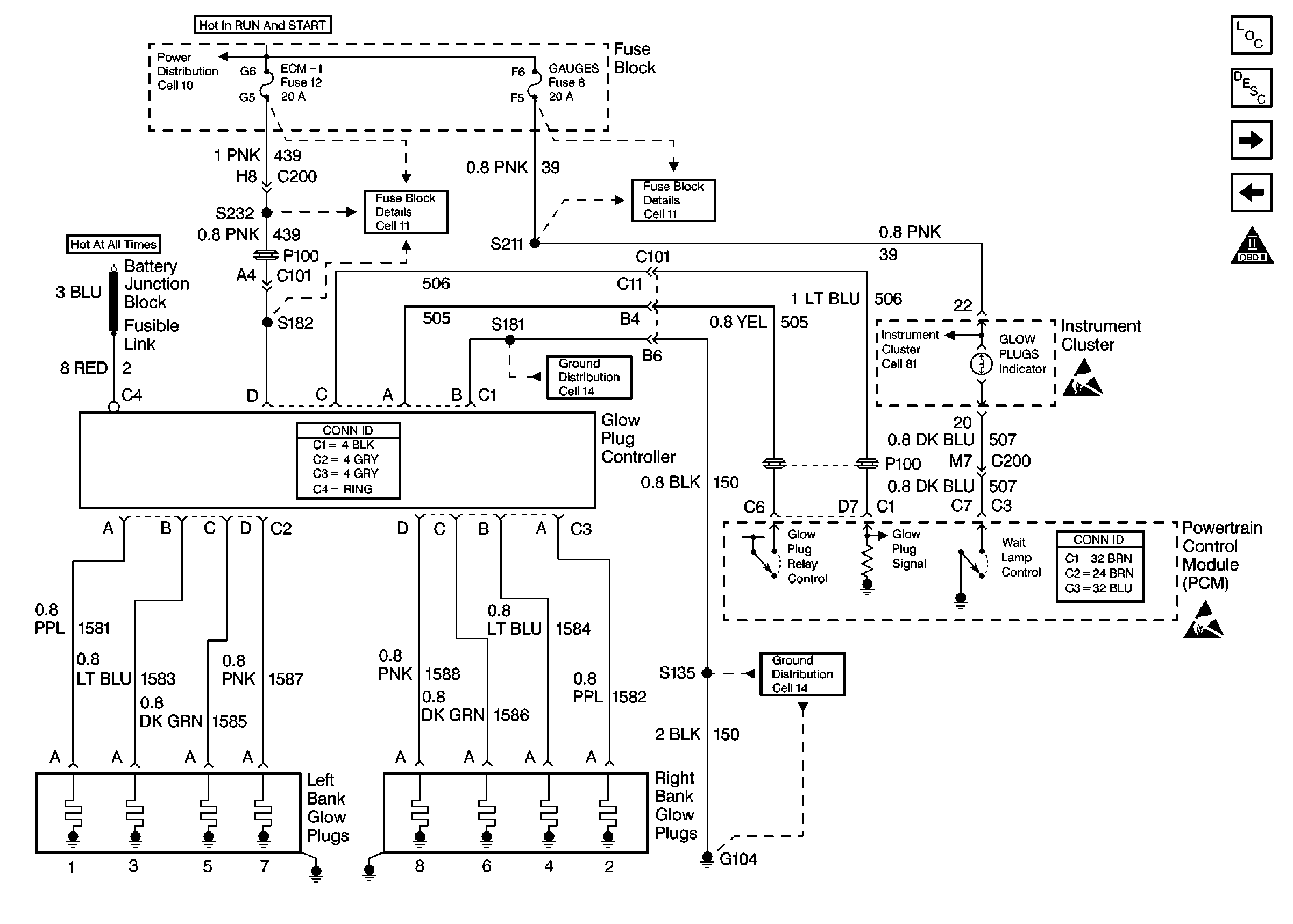
🢒 Cell 22: Glowplug Controls
Cell 22: Glowplug Controls
Cell 22: Glowplug Controls
Engine Controls Components
Glow Plug System Description
Cell 22: Glowplug Controls 2 - Federal Emissions
Cell 22: PCM Power and Grounding, MIL and Service Throttle Indicators, and DLC
OBD II Symbol Description Notice
Cell 10: Battery, Starter and Junction Block
Cell 10: Ignition Switch and Fuse Block
Cell 11: ECM-I fuse [L65]
Cell 11: GAUGES and TRANS fuses
Cell 81: Indicators
Handling ESD Sensitive Parts Notice
Handling ESD Sensitive Parts Notice
Cell 14: G104 [L65]
Cell 14: G104 [L65]