GM Service Manual Online
For 1990-2009 cars only
Makes
🢒
Chevrolet
🢒
1998
🢒
Chevy P42 Commercial Chassis
🢒 Cell 22: Fuel Pump Controls
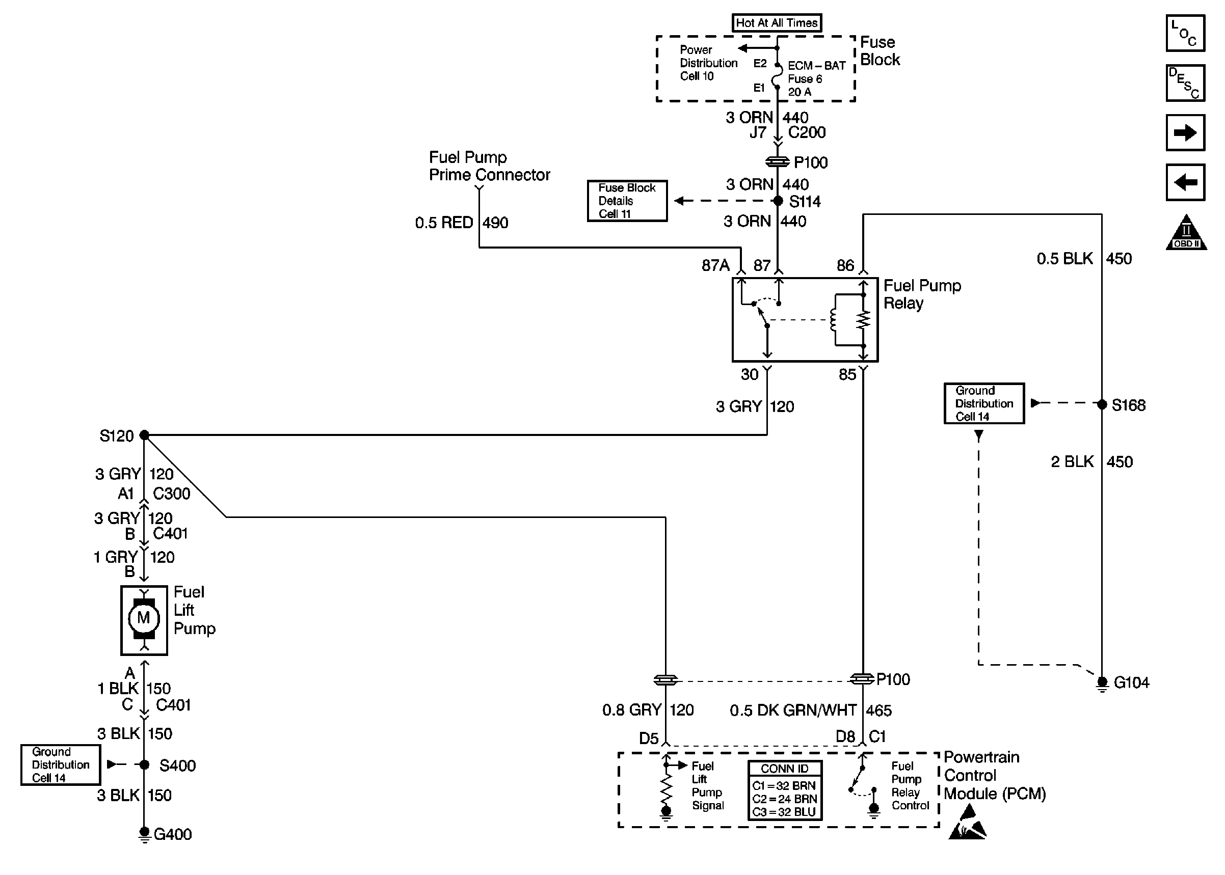
Cell 22: Fuel Pump Controls
Cell 22: Fuel Pump Controls
Engine Controls Components
Fuel Supply Component Description
Cell 22: Water in Fuel Circuit, Fuel Heater and Temperature Sensor
Cell 22: CKP and Injection Timing Stepper Motor
OBD II Symbol Description Notice
Cell 11: ECM-I fuse [L65]
Cell 10: Fuse Block
Cell 14: G104 [L65]
Handling ESD Sensitive Parts Notice
Cell 14: G350, G400, G401, and G402