GM Service Manual Online
For 1990-2009 cars only
Makes
🢒
Chevrolet
🢒
1998
🢒
Chevy P42 Commercial Chassis
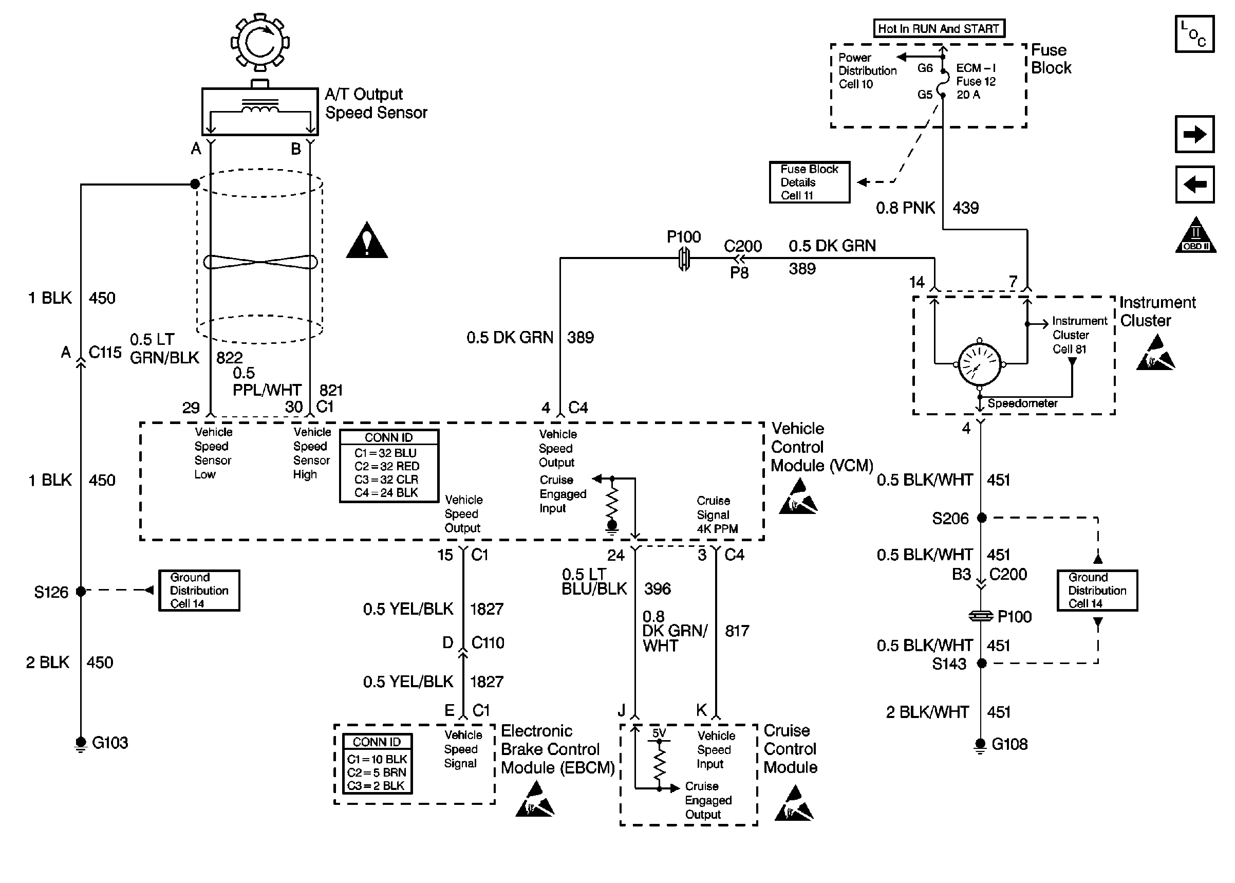
🢒 Cell 21: Engine Data Sensors 4- Vehicle Speed Sensor Circuit
Cell 21: Engine Data Sensors 4- Vehicle Speed Sensor Circuit
Cell 21: Engine Data Sensors 4-- Vehicle Speed Sensor Circuit
Engine Controls Components
Information Sensors/Switches Description
Cell 21: EVAP and EGR Controls
Cell 21: Engine Data Sensors 3- MAF and IAC Circuits
OBD II Symbol Description Notice
Engine Controls Schematic Icons
Cell 11: ECM-I fuse [L29]
Cell 10: Ignition Switch and Fuse Block
Cell 81: Gauges [L65]
Handling ESD Sensitive Parts Notice
Cell 14: G108 [L29]
Handling ESD Sensitive Parts Notice
Handling ESD Sensitive Parts Notice
Handling ESD Sensitive Parts Notice
Cell 14: G103, G105, G106, and G110 [L29]