GM Service Manual Online
For 1990-2009 cars only
Makes
🢒
Chevrolet
🢒
1998
🢒
Chevy P42 Commercial Chassis
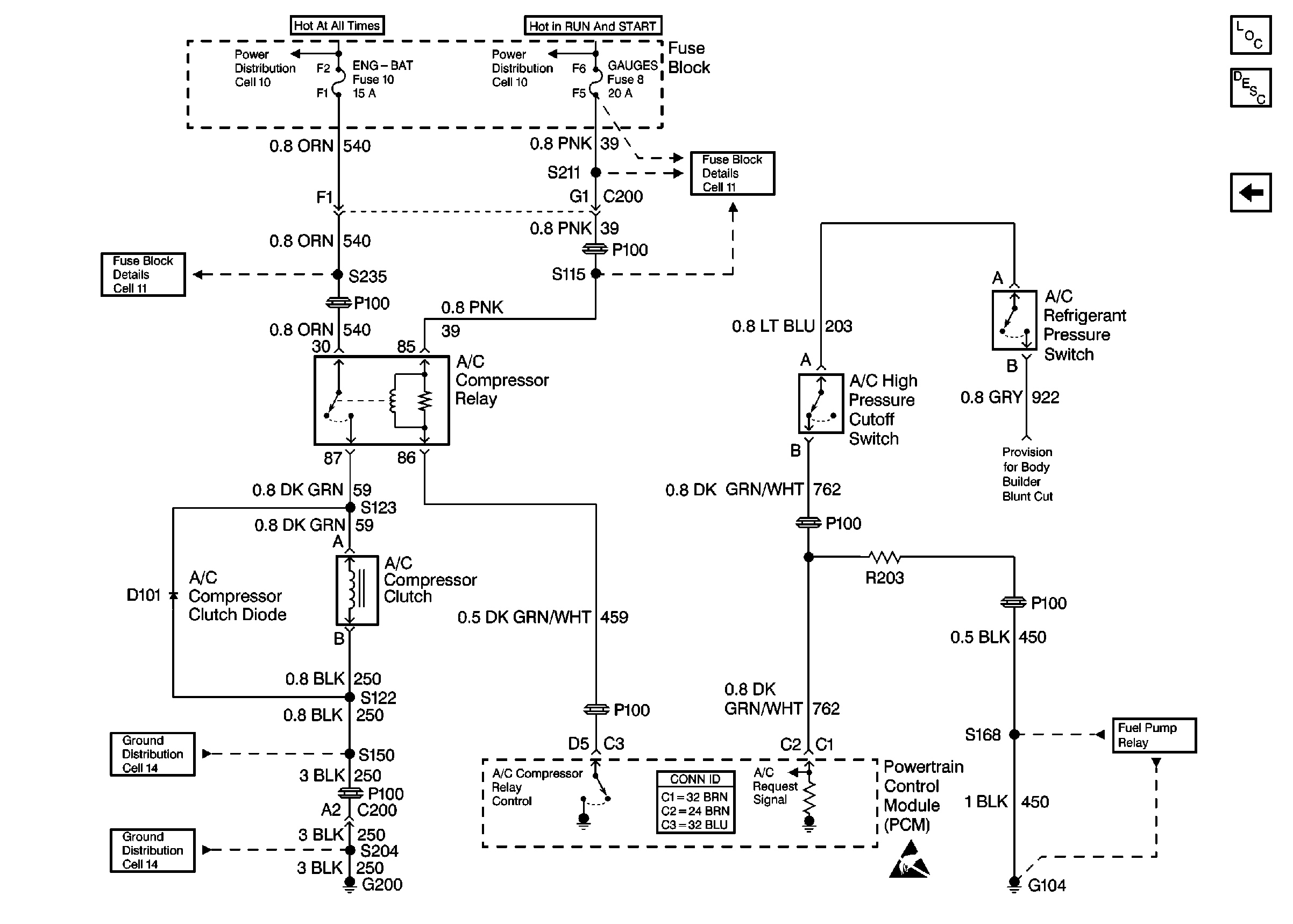
🢒 Cell 64: P32 Diesel Engine, A/C Controls
Cell 64: P32 Diesel Engine, A/C Controls
Cell 64: P32 Diesel Engine, A/C Controls
HVAC Components P42
Relays and Sensors Description
Cell 64: P32 Gasoline Engine, A/C Controls
Cell 11: ENG-BAT and ECM-BAT fuses
Cell 10: Fuse Block
Cell 10: Ignition Switch and Fuse Block
Cell 11: GAUGES and TRANS fuses
Cell 14: G104, G105, G106, and G110 [L65]
Handling ESD Sensitive Parts Notice
Cell 14: G200
Cell 14: S150 and S101 [L65]