GM Service Manual Online
For 1990-2009 cars only
Makes
🢒
Chevrolet
🢒
1999
🢒
Chevy P42 Commercial Chassis
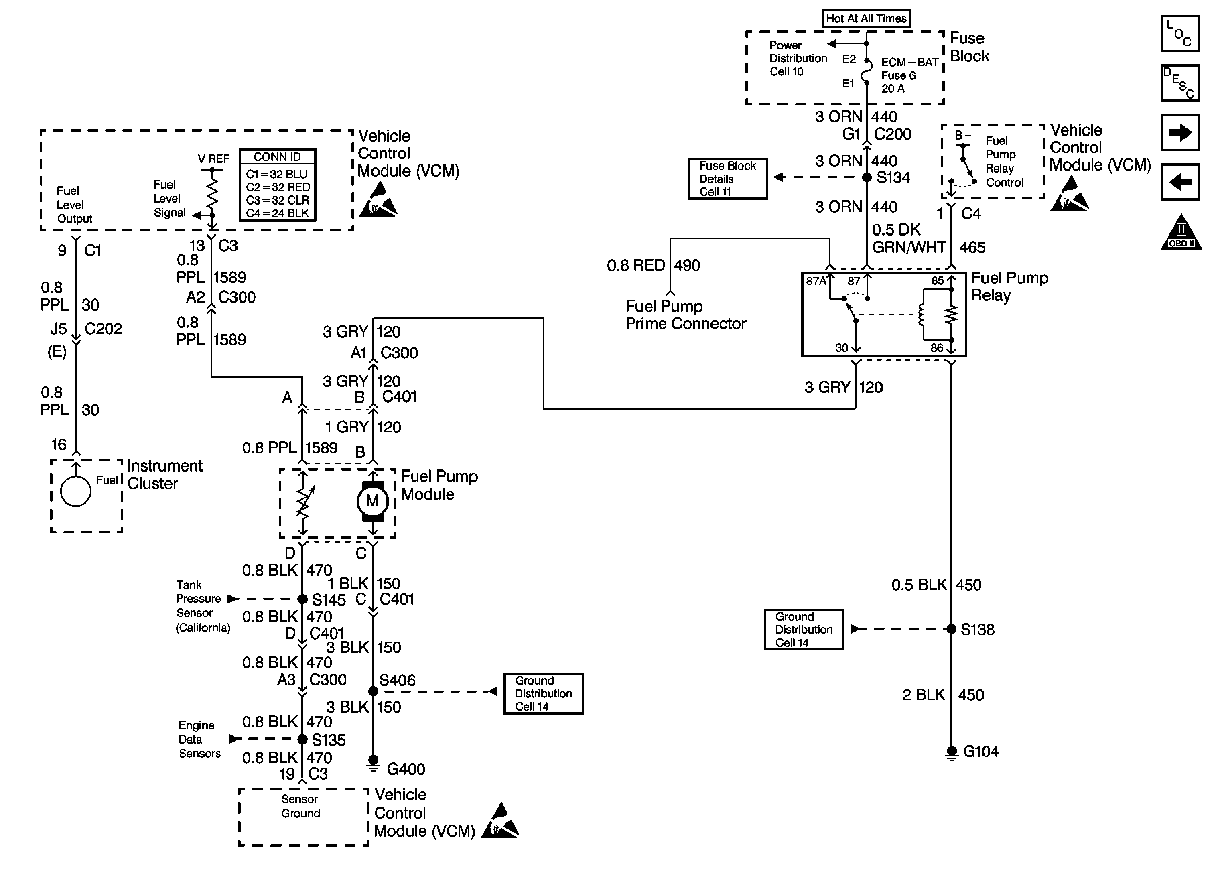
🢒 Cell 20: Fuel Controls - Fuel Pump
Cell 20: Fuel Controls - Fuel Pump
Cell 20: Fuel Controls -- Fuel Pump
Engine Controls Components
Fuel Metering System Component Description
Cell 20: Fuel Controls - Injector Controls
Cell 20 - Ignition System
OBD II Symbol Description Notice
Handling ESD Sensitive Parts Notice
Cell 11: ECM-BAT and ENG-BAT fuses
Cell 10: Fuse Block and Headlamp Switch
Handling ESD Sensitive Parts Notice
Cell 14: G104 [L31/L35]
Cell 14: G105, G106, G110, G400, and G401
Handling ESD Sensitive Parts Notice
Cell 20: Engine Data Sensors - MAP, IAT, TP, ECT
Cell 20: EVAP, EGR, and Tank Pressure Sensor