GM Service Manual Online
For 1990-2009 cars only
Makes
🢒
Chevrolet
🢒
2005
🢒
Cobalt
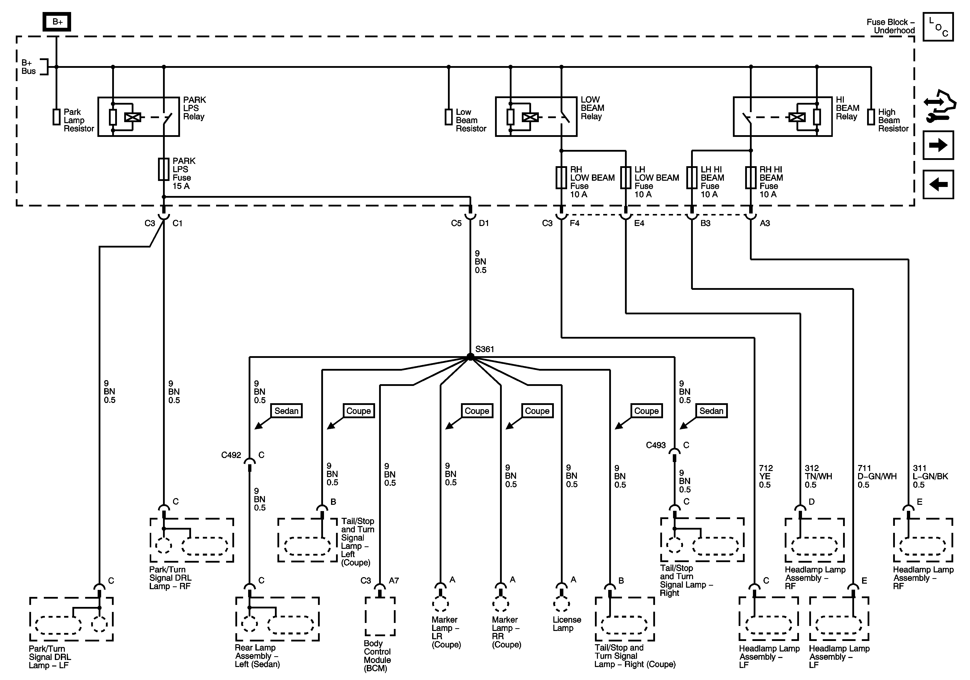
🢒 PARK LAMPS PCB Relay, PARK LPS Fuse,LOW BEAM PCB Relay, HI BEAM PCB Relay, RH LOW BEAM Fuse, LH LOW BEAM Fuse, RH HIGH BEAM Fuse, LH HIGH BEAM Fuse
PARK LAMPS PCB Relay, PARK LPS Fuse,LOW BEAM PCB Relay, HI BEAM PCB Relay, RH LOW BEAM Fuse, LH LOW BEAM Fuse, RH HIGH BEAM Fuse, LH HIGH BEAM Fuse
PARK LPS PCB Relay, PARK LPS Fuse, LOW BEAM PCB Relay, HIGH BEAM PCB Relay, RH LOW BEAM Fuse, LH LOW BEAM Fuse, RH HIGH BEAM Fuse, LH HIGH BEAM Fuse
Master Electrical Component List
Control Module References
RDO Fuse, DR LCK Fuse, INT LIGHTS Fuse, PWR WNDW Fuse, S ROOF Fuse, ECM/TCM Fuse, SDM Fuse, RAP Relay, INTERIOR LAMPS PCB Relay, Door Lock PCB Relays
FUEL FUMP Relay, POWERTRAIN Relay, FUEL PMP Fuse, EMISSION Fuse, INJECTORS Fuse, PCM/ECM Fuse
Underhood Fuse Block B+ Bus