GM Service Manual Online
For 1990-2009 cars only
Makes
🢒
Chevrolet
🢒
2005
🢒
Cobalt
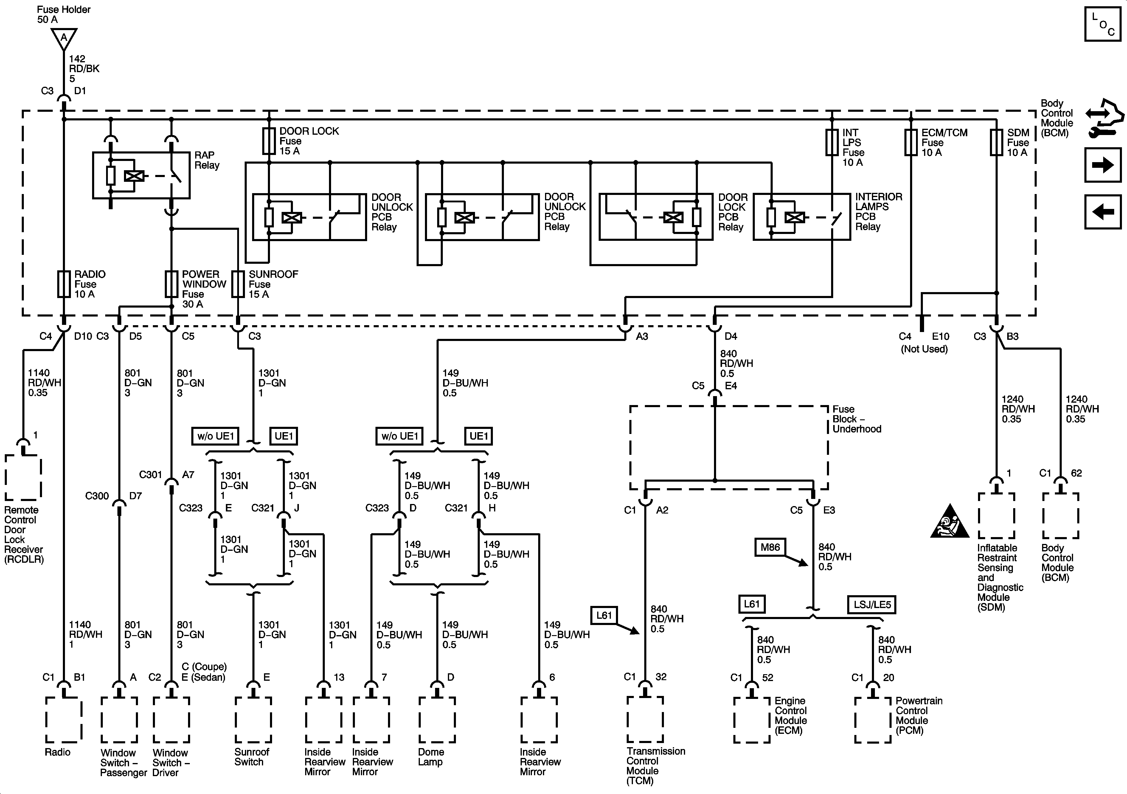
🢒 RDO Fuse, DR LCK Fuse, INT LIGHTS Fuse, PWR WNDW Fuse, S ROOF Fuse, ECM/TCM Fuse, SDM Fuse, RAP Relay, INTERIOR LAMPS PCB Relay, Door Lock PCB Relays
RDO Fuse, DR LCK Fuse, INT LIGHTS Fuse, PWR WNDW Fuse, S ROOF Fuse, ECM/TCM Fuse, SDM Fuse, RAP Relay, INTERIOR LAMPS PCB Relay, Door Lock PCB Relays
RADIO Fuse, DOOR LOCK Fuse, INT LPS Fuse, POWER WINDOW Fuse, SUNROOF Fuse, ECM/TCM Fuse, SDM Fuse, RAP Relay, DR DOOR UNLOCK Relay, DOOR UNLOCK Relay, DOOR LOCK Relay, INTERIOR LAMP Relay
Master Electrical Component List
Control Module References
Ignition Switch, BCM2 Fuse, IGN SW Fuse, STOP LPS Fuse, AUDIO AMPLIFIER Fuse, CLUSTER Fuse, HVAC/PK3 Fuse
PARK LAMPS PCB Relay, PARK LPS Fuse, LOW BEAM PCB Relay, HI BEAM PCB Relay, RH LOW BEAM Fuse, LH LOW BEAM Fuse, RH HIGH BEAM Fuse, LH HIGH BEAM Fuse
Underhood Fuse Block B+ Bus
SIR Caution for Zoning