GM Service Manual Online
For 1990-2009 cars only
Makes
🢒
Chevrolet
🢒
2005
🢒
Cobalt
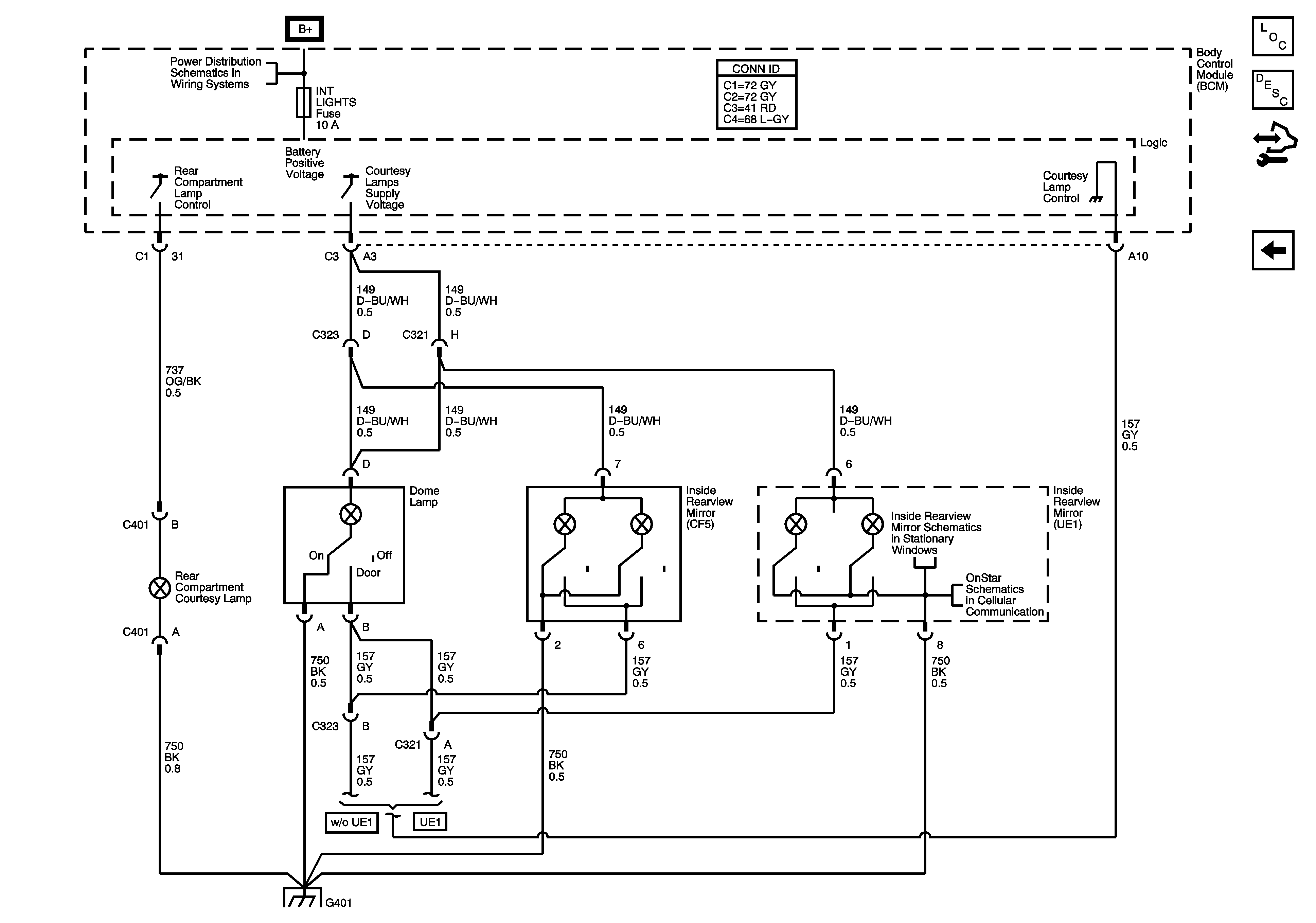
🢒 Interior Lights Outputs
Interior Lights Outputs
Interior Lights - Outputs
Master Electrical Component List
Interior Lighting Systems Description and Operation
Control Module References
Interior Lights Inputs
RDO Fuse, DR LCK Fuse, INT LIGHTS Fuse, PWR WNDW Fuse, S ROOF Fuse, ECM/TCM Fuse, SDM Fuse, RAP Relay, INTERIOR LAMPS PCB Relay, Door Lock PCB Relays
Inside Rearview Mirror
OnStar Schematics
G401 - 2 of 2