GM Service Manual Online
For 1990-2009 cars only
Makes
🢒
Chevrolet
🢒
2005
🢒
Cobalt
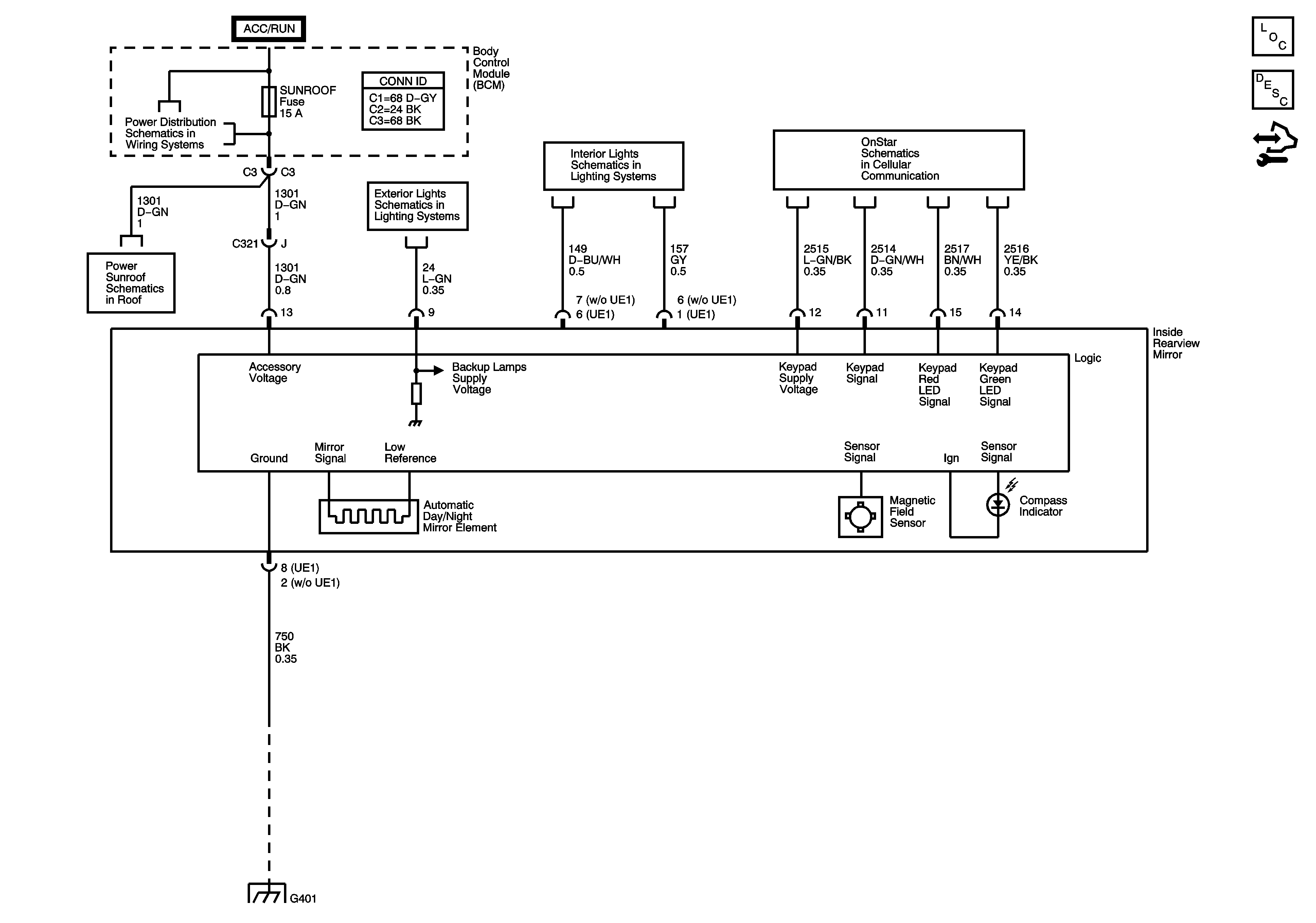
🢒 Inside Rearview Mirror
Inside Rearview Mirror
Master Electrical Component List
Stationary Window Description
Control Module References
RDO Fuse, DR LCK Fuse, INT LIGHTS Fuse, PWR WNDW Fuse, S ROOF Fuse, ECM/TCM Fuse, SDM Fuse, RAP Relay, INTERIOR LAMPS PCB Relay, Door Lock PCB Relays
Power Sunroof
Backup Lamps
Interior Lights Outputs
OnStar Schematics
G401 - 2 of 2