GM Service Manual Online
For 1990-2009 cars only
Makes
🢒
Chevrolet
🢒
2005
🢒
Cobalt
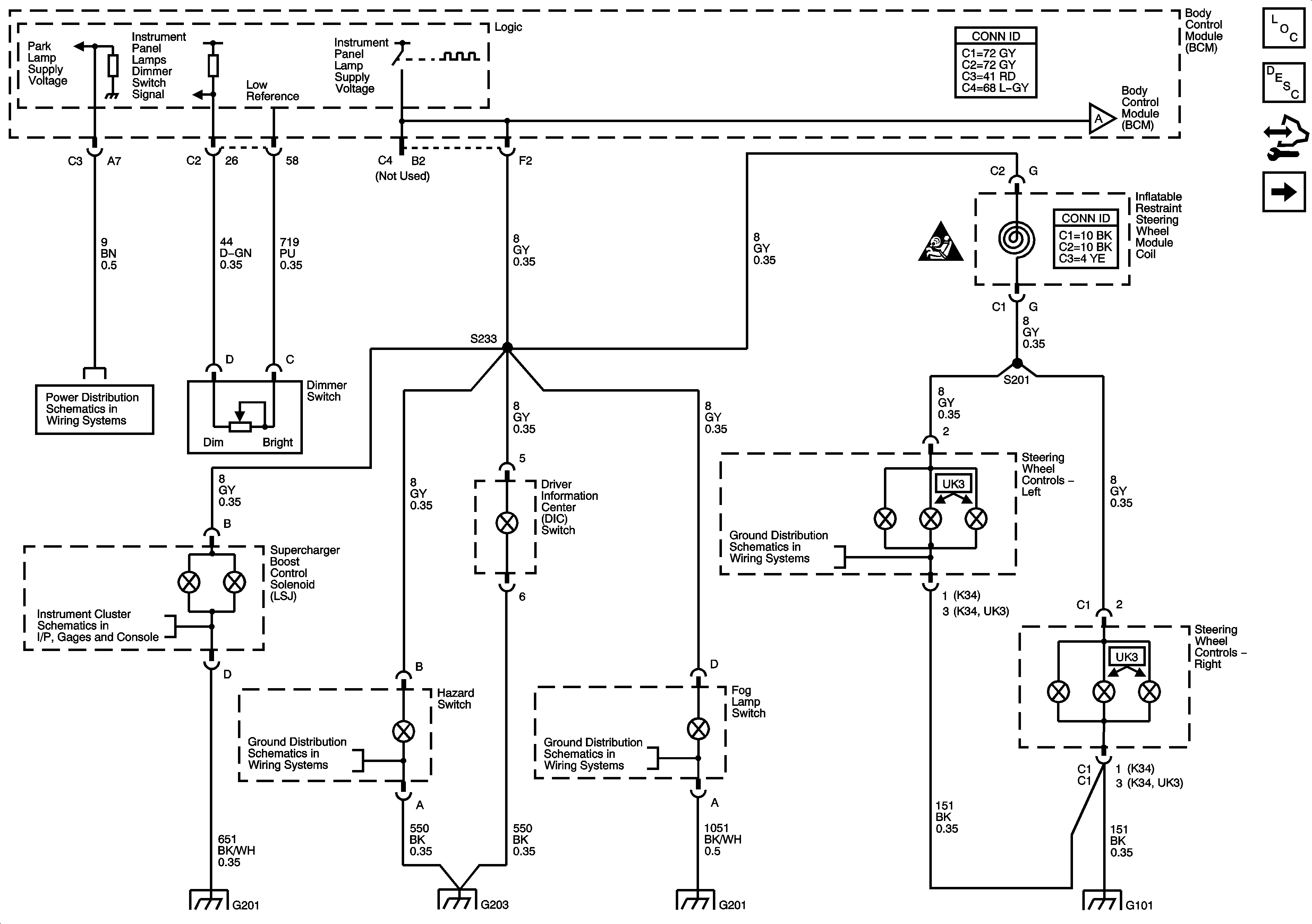
🢒 Dimmer Switch Inputs
Dimmer Switch Inputs
Dimmer Switch Inputs
Master Electrical Component List
Interior Lighting Systems Description and Operation
Control Module References
IPC, HVAC Control Assembly, and Heated Seats
SIR Caution for Zoning
IPC, HVAC Control Assembly, and Heated Seats
Cellular Communication Schematic Icons
PARK LAMPS PCB Relay, PARK LPS Fuse, LOW BEAM PCB Relay, HI BEAM PCB Relay, RH LOW BEAM Fuse, LH LOW BEAM Fuse, RH HIGH BEAM Fuse, LH HIGH BEAM Fuse
Ambient Air Temperature Sensor, EOP Sensor, Fuel Level Sensor, and Indicators
G109, G203, and G306
G201 2 of 2
G101 and G102
G201
G109, G203, and G306
G201
G101 and G102