GM Service Manual Online
For 1990-2009 cars only
Makes
🢒
Chevrolet
🢒
2005
🢒
Cobalt
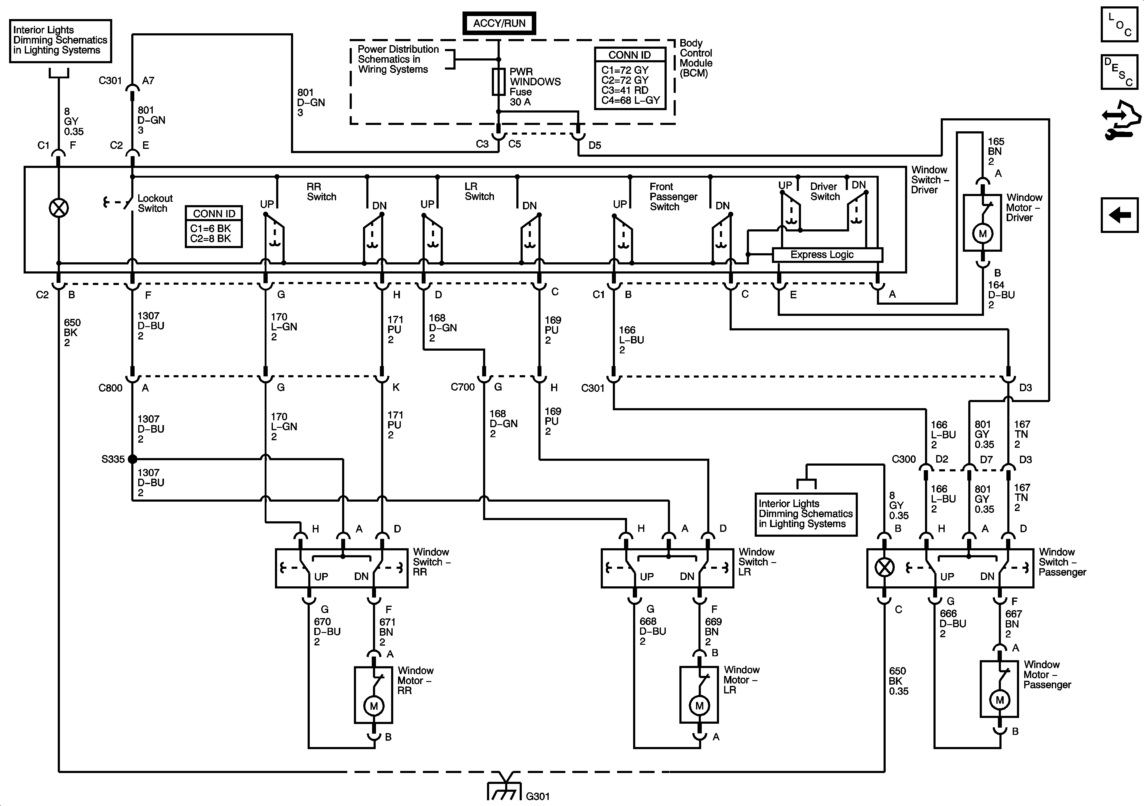
🢒 Power Windows - Sedan
Power Windows - Sedan
Sedan
Master Electrical Component List
Power Windows Description and Operation
Control Module References
Power Windows - Coupe
A/T Shift Lock Control Assembly, Mirror and Doors
RDO Fuse, DR LCK Fuse, INT LIGHTS Fuse, PWR WNDW Fuse, S ROOF Fuse, ECM/TCM Fuse, SDM Fuse, RAP Relay, INTERIOR LAMPS PCB Relay, Door Lock PCB Relays
A/T Shift Lock Control Assembly, Mirror and Doors
G301 - 2 of 2