GM Service Manual Online
For 1990-2009 cars only
Makes
🢒
Chevrolet
🢒
2005
🢒
Cobalt
🢒 Starting
Starting
Starting
Master Electrical Component List
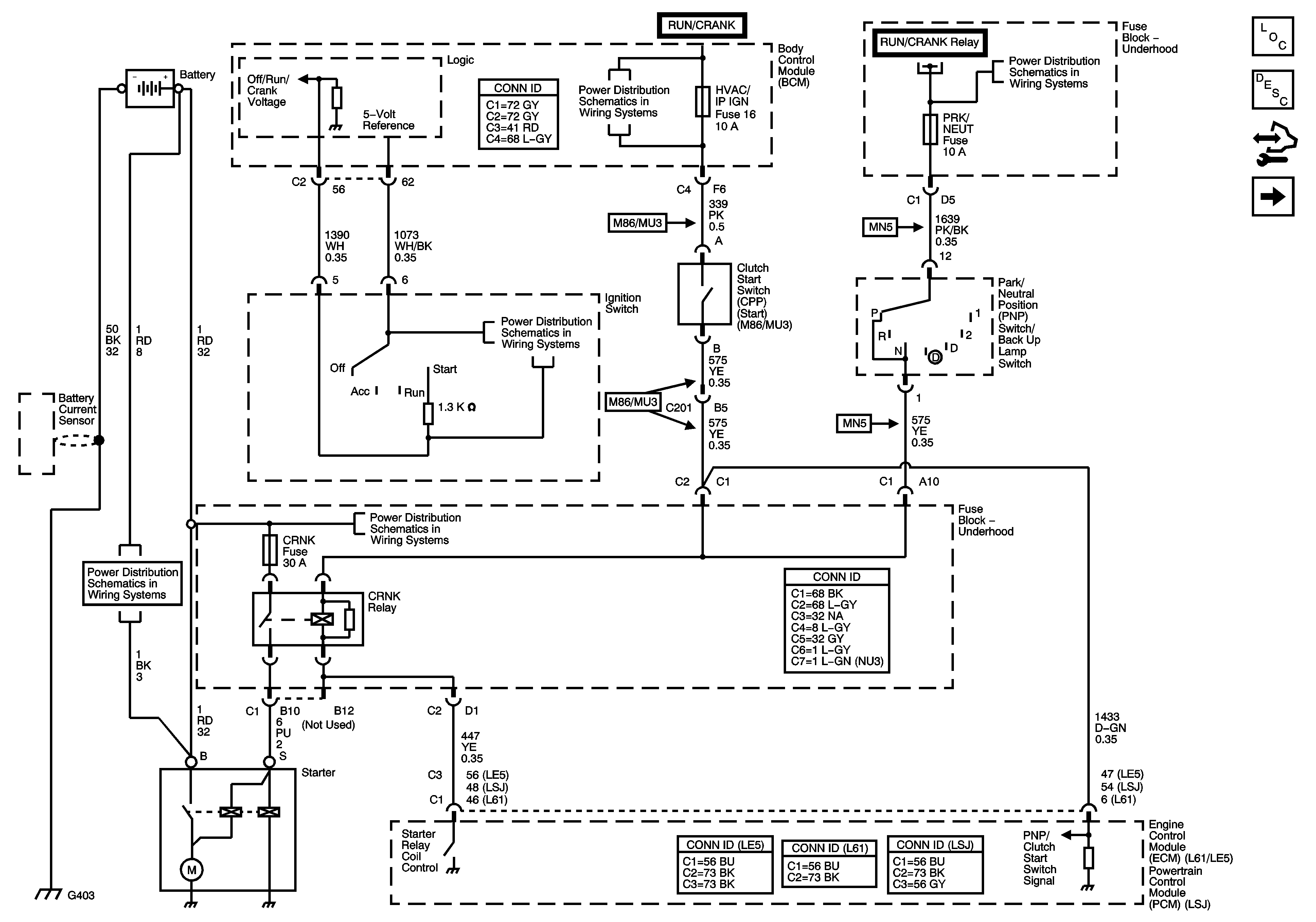
Starting System Description and Operation
Control Module References
Charging
RUN/CRANK, HVAC Relays, I/P, IGN, BCM3, WIPER, I/P IGN Fuses
RUN/CRANK Relay, I/P IGN, BACKUP, ABS, ECM, TRANS, LIGHTING, S-BAND, MIRROR, ABS, EPS, BCM2, BCM3, HEATED SEATS Fuses
Underhood Fuse Block, B+ Bus