GM Service Manual Online
For 1990-2009 cars only
Makes
🢒
Chevrolet
🢒
2005
🢒
Cobalt
🢒 Charging
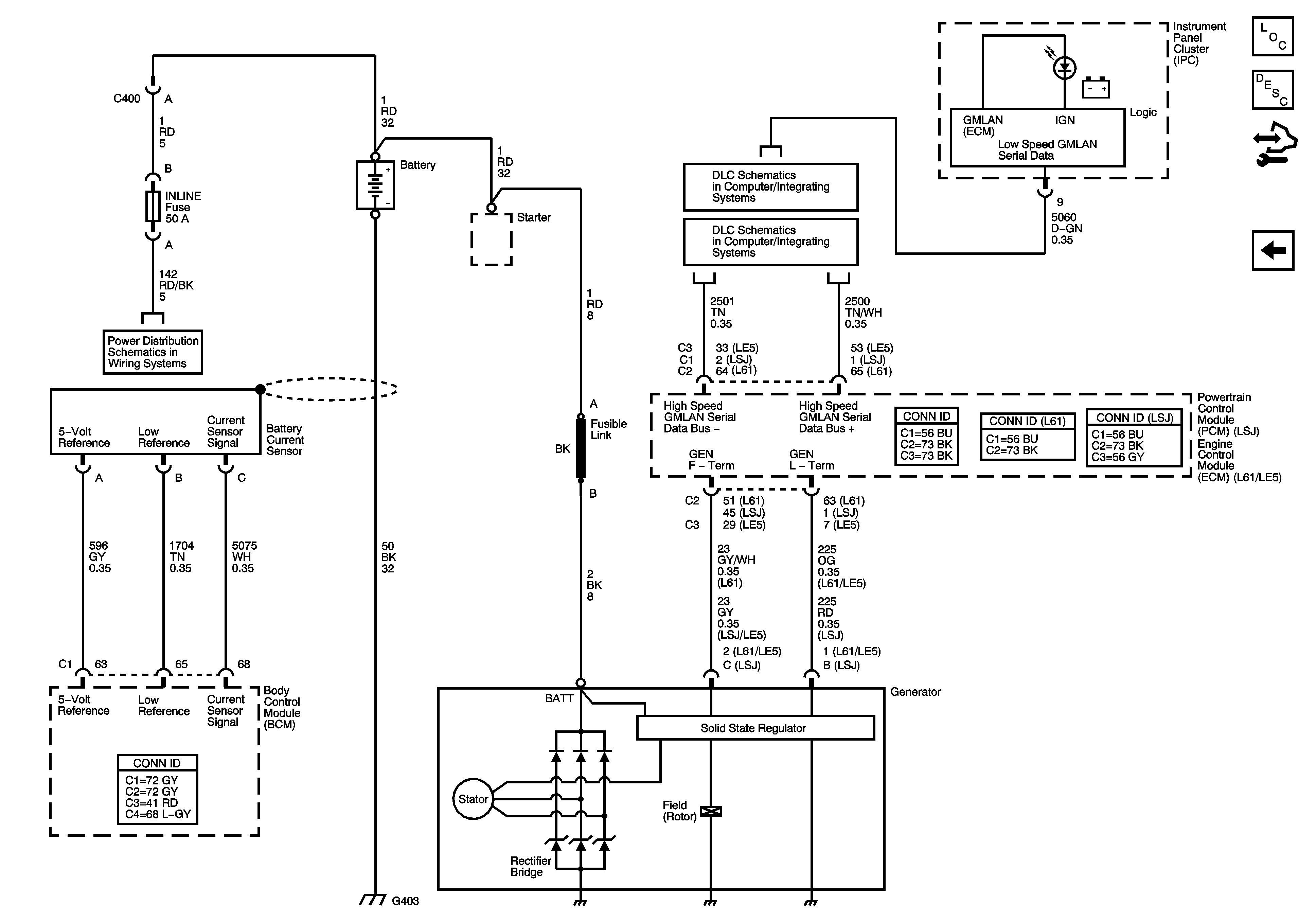
Charging
Charging
Master Electrical Component List
Charging System Description and Operation (w/RVC)
Control Module References
Starting
DLC Power, Ground, and Low Speed GMLAN
High Speed GMLAN
Underhood Fuse Block, B+ Bus