GM Service Manual Online
For 1990-2009 cars only
Makes
🢒
Chevrolet
🢒
2005
🢒
Cobalt
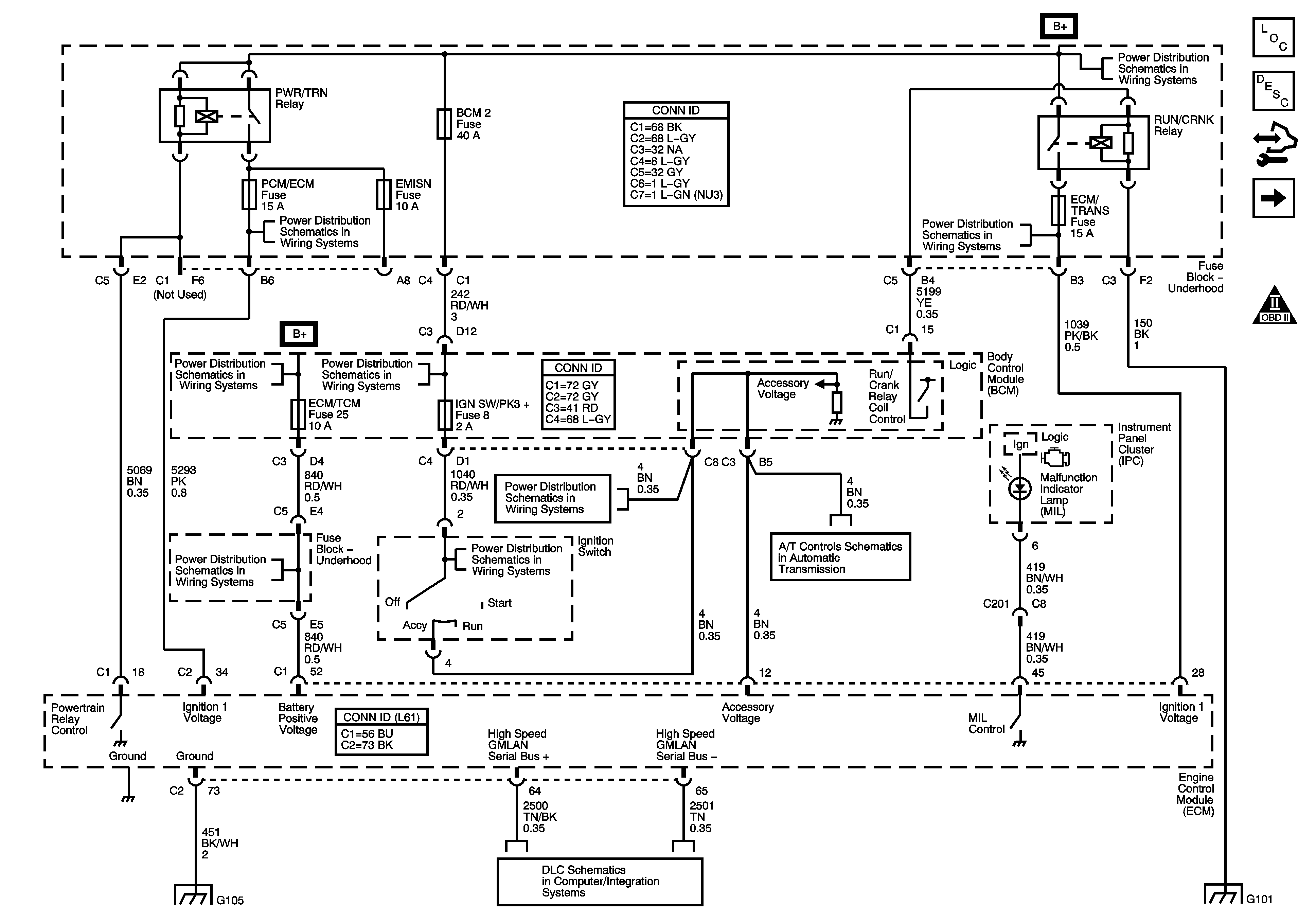
🢒 Power, Ground, MIL, and DLC
Power, Ground, MIL, and DLC
Power, Ground, MIL, and DLC
Master Electrical Component List
Engine Control Module Description
Control Module References
Engine Data Sensors - 5-Volt and Low Reference Bussing
Engine Controls Schematic Icons
FUEL PUMP, POWERTRAIN Relay, FUEL PUMP, EMISSION, INJECTOR Fuses
BCM2, CLUSTER, IGN SW, STOP LPS, AUDIO AMPLIFIER Fuses
BCM2, CLUSTER, IGN SW, STOP LPS, AUDIO AMPLIFIER Fuses
Underhood Fuse Block, B+ Bus
RUN/CRANK Relay, I/P IGN, BACKUP, ABS, ECM, TRANS, LIGHTING, S-BAND, MIRROR, ABS, EPS, BCM2, BCM3, HEATED SEATS Fuses
BCM2, CLUSTER, IGN SW, STOP LPS, AUDIO AMPLIFIER Fuses
TCM, Power, Ground, and PNP Switch
G103, G105
High Speed GMLAN
G101, G102