GM Service Manual Online
For 1990-2009 cars only
Makes
🢒
Chevrolet
🢒
2005
🢒
Cobalt
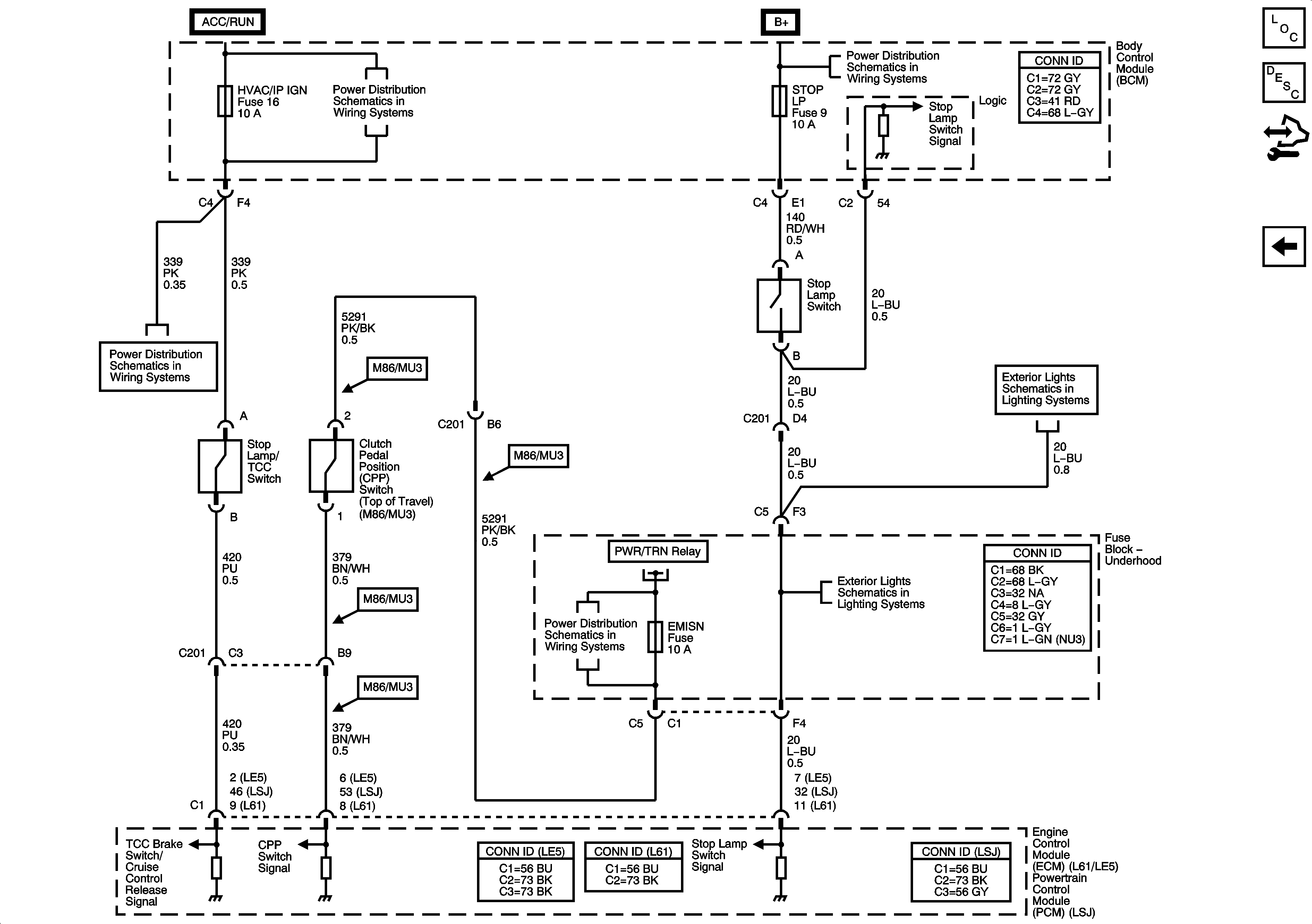
🢒 Clutch Pedal Position Switch, Stop Lamp Switch
Clutch Pedal Position Switch, Stop Lamp Switch
Clutch Pedal Position Switch, Stop Lamp Switch
Master Electrical Component List
Cruise Control Description and Operation
Control Module References
Power, Ground, Serial Data, and Switches
BCM2, CLUSTER, IGN SW, STOP LPS, AUDIO AMPLIFIER Fuses
RUN/CRANK, HVAC Relays, I/P, IGN, BCM3, WIPER, I/P IGN Fuses
Stop Lamps
FUEL PUMP, POWERTRAIN Relay, FUEL PUMP, EMISSION, INJECTOR Fuses