GM Service Manual Online
For 1990-2009 cars only
Makes
🢒
Chevrolet
🢒
2005
🢒
Cobalt
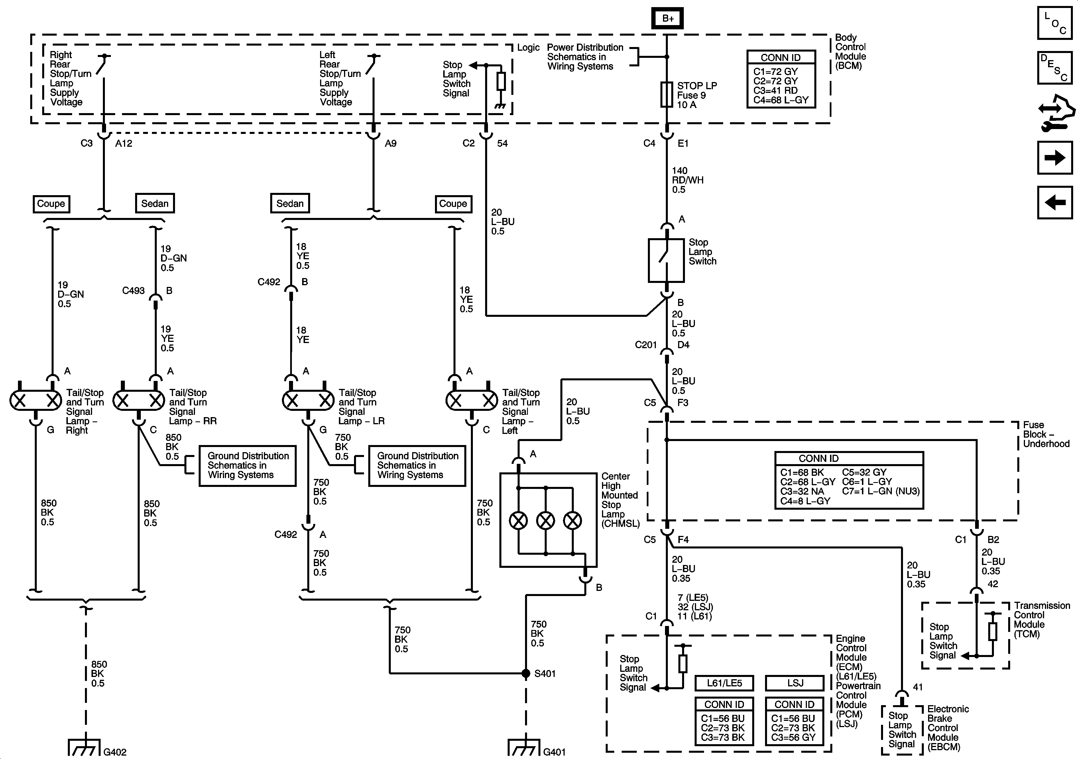
🢒 Stop Lamps
Stop Lamps
Stop Lamps
Master Electrical Component List
Exterior Lighting Systems Description and Operation
Control Module References
Backup Lamps
Hazards, Turn Signals
BCM2, CLUSTER, IGN SW, STOP LPS, AUDIO AMPLIFIER Fuses
G402, G403
G401 (2 of 2)
G402, G403
G401 (2 of 2)