GM Service Manual Online
For 1990-2009 cars only
Makes
🢒
Chevrolet
🢒
2005
🢒
Cobalt
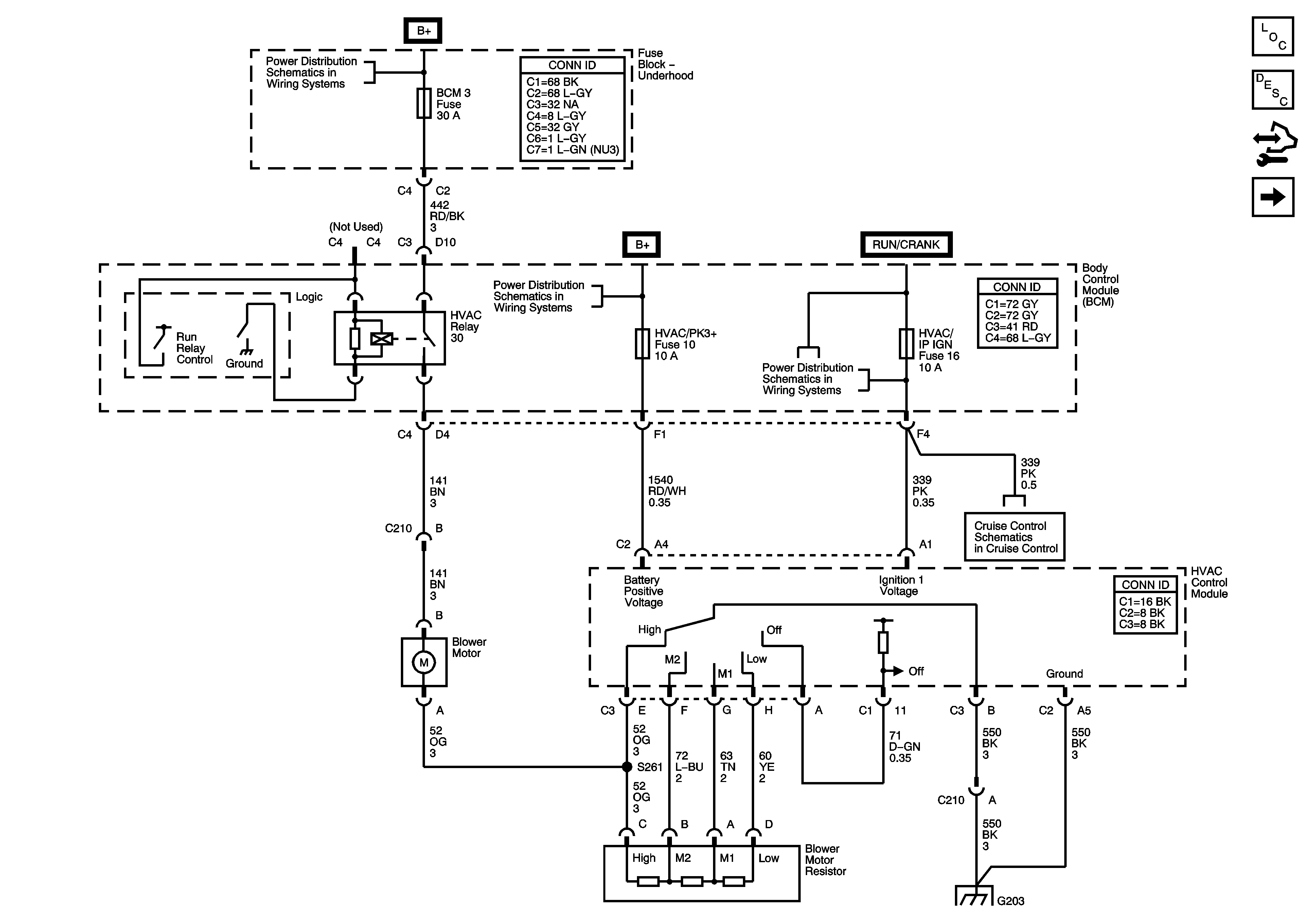
🢒 Power, Ground, and Blower Motor
Power, Ground, and Blower Motor
Power, Ground, and Blower Motor
Master Electrical Component List
Air Delivery Description and Operation
Control Module References
Compressor Controls
RUN/CRANK Relay, I/P IGN, BACKUP, ABS, ECM, TRANS, LIGHTING, S-BAND, MIRROR, ABS, EPS, BCM2, BCM3, HEATED SEATS Fuses
BCM2, CLUSTER, IGN SW, STOP LPS, AUDIO AMPLIFIER Fuses
Clutch Pedal Position Switch, Stop Lamp Switch
G109, G203, G306
RUN/CRANK, HVAC Relays, I/P, IGN, BCM3, WIPER, I/P IGN Fuses