GM Service Manual Online
For 1990-2009 cars only
Makes
🢒
Chevrolet
🢒
2004
🢒
Colorado Pickup - 2WD
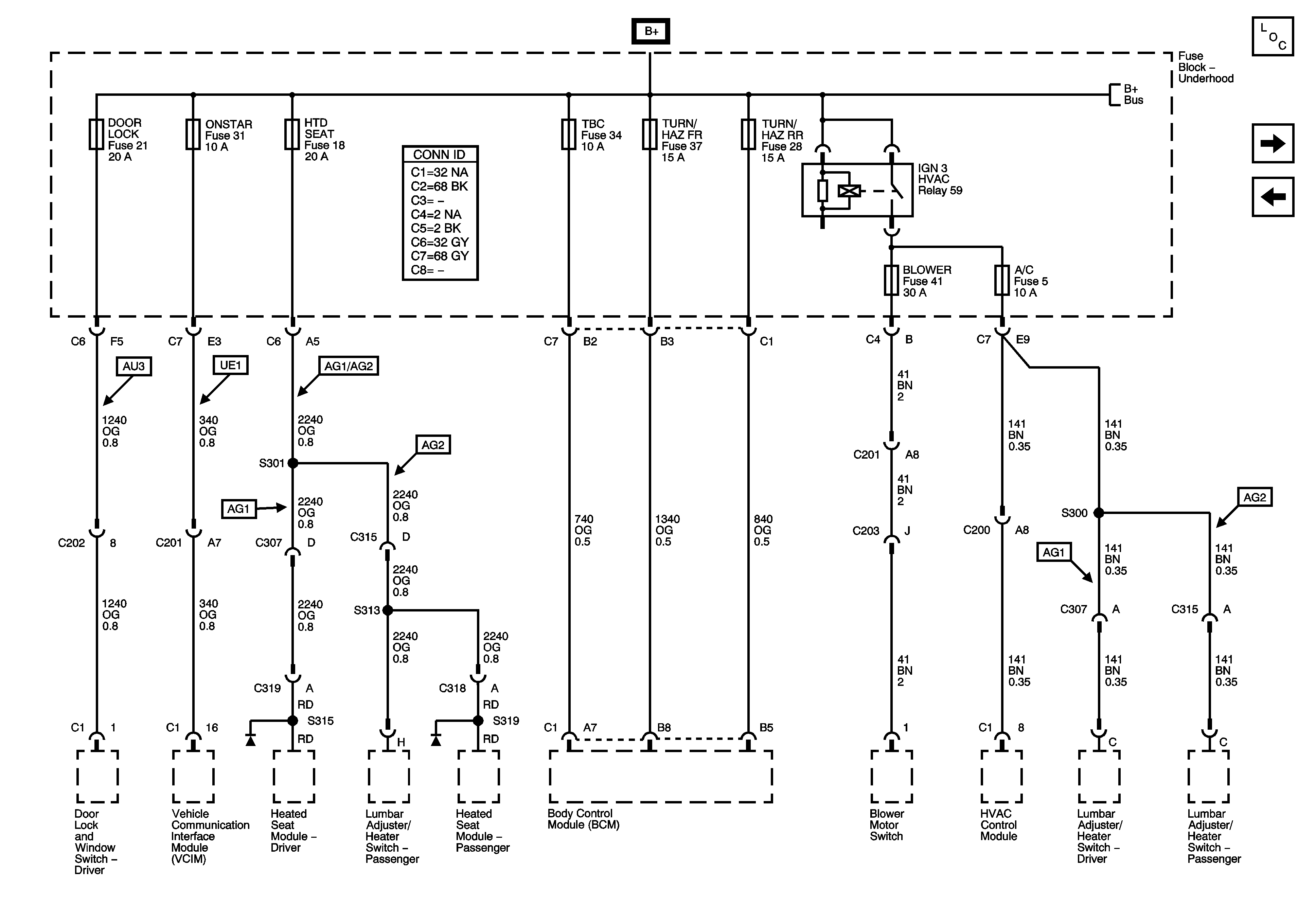
🢒 DOOR LOCK, ONSTAR, HTD SEAT, TBC, TURN/HAZ FR, TURN/HAZ RR, BLOWER, and A/C Fuses, IGN 3 HVAC Relay
DOOR LOCK, ONSTAR, HTD SEAT, TBC, TURN/HAZ FR, TURN/HAZ RR, BLOWER, and A/C Fuses, IGN 3 HVAC Relay
DOOR LOCK, ONSTAR, HTD SEAT, TBC, TURN/HAZ FR, TURN/HAZ RR, BLOWER, and A/C Fuses, IGN 3 HVAC Relay
Master Electrical Component List
WIPER SW, PWR WDO, ETC, and 02 SENSOR Fuses
CAN VENT, PCM B, CLUSTER, TCCM, STOP, ABS 1, ABS 2, RADIO, AUX, and CIGAR Fuses
B+ Bus - Underhood Fuse Block