GM Service Manual Online
For 1990-2009 cars only
Makes
🢒
Chevrolet
🢒
2004
🢒
Colorado Pickup - 2WD
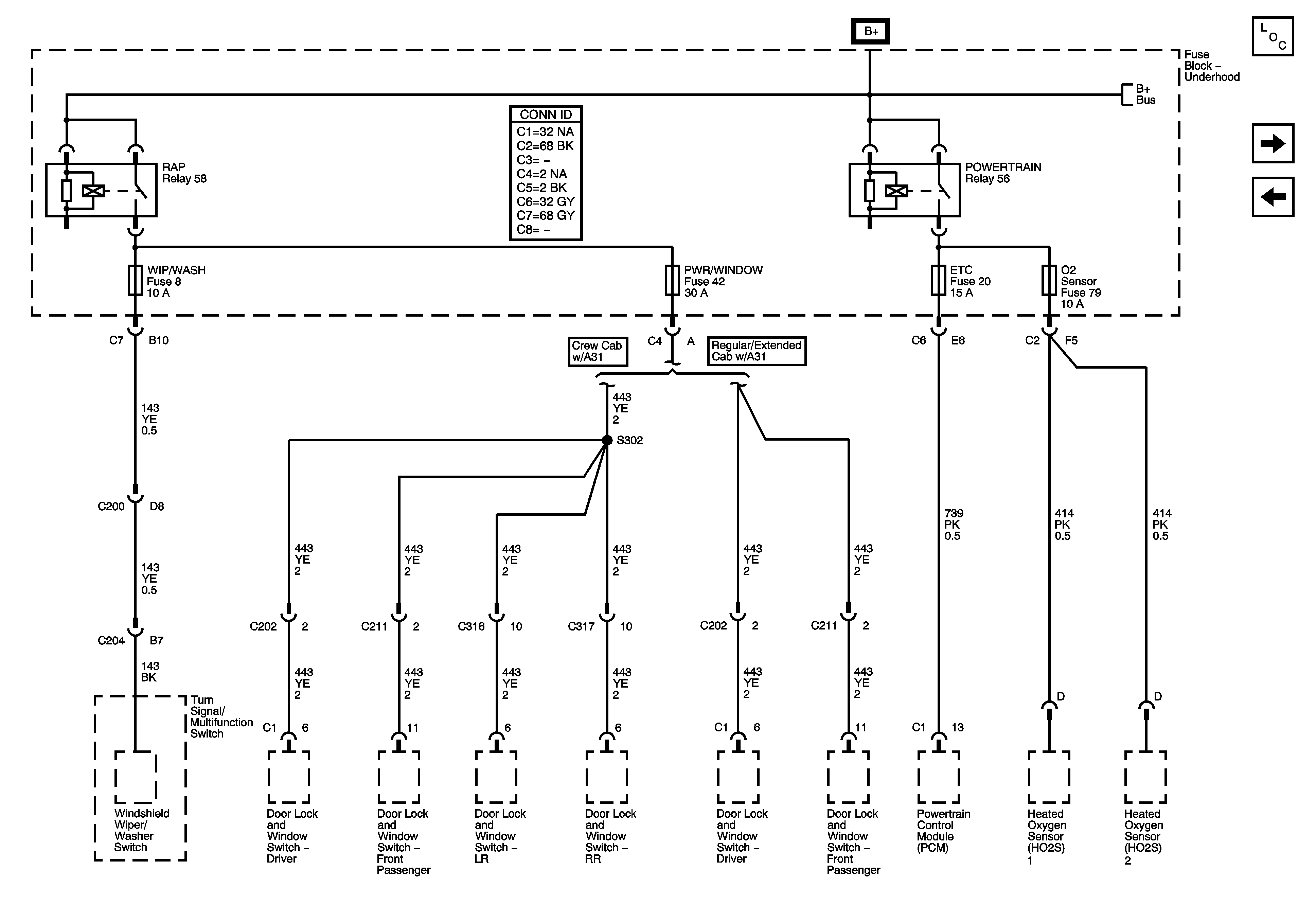
🢒 WIPER SW, PWR WDO, ETC, and 02 SENSORFuses
WIPER SW, PWR WDO, ETC, and 02 SENSORFuses
WIP/WASH, PWR/WINDOW, ETC, and 02 SENSOR Fuses, RAP, and POWERTRAIN Relays
Master Electrical Component List
RH HDLP, LH HDLP, FUEL PMP, POWER SEAT Fuses, and HDLP, FUEL PUMP Relays
DOOR LOCK, ONSTAR, HTD SEAT, TBC, TURN/HAZ FR, TURN/HAZ RR, BLOWER, and A/C Fuses, IGN 3 HVAC Relay
B+ Bus - Underhood Fuse Block