GM Service Manual Online
For 1990-2009 cars only
Makes
🢒
Chevrolet
🢒
2004
🢒
Colorado Pickup - 2WD
🢒 SIR, CRUISE/MISC, TRANS, BACK UP, and ABS Fuses
SIR, CRUISE/MISC, TRANS, BACK UP, and ABS Fuses
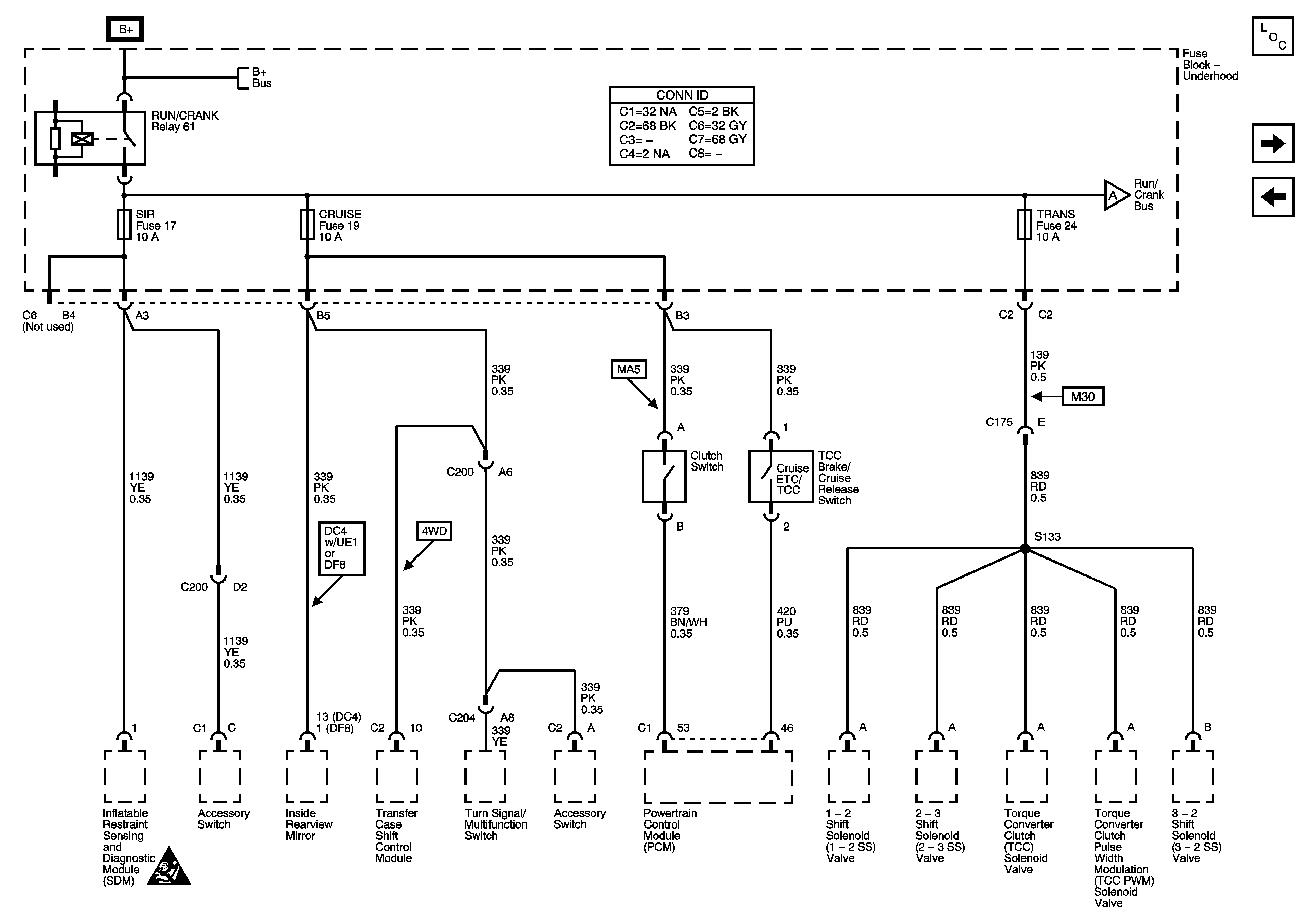
SIR, CRUISE, and TRANS Fuses, RUN/CRANK Relay
Master Electrical Component List
SPARE, IGN, and A/C COMP Fuses
RH HDLP, LH HDLP, FUEL PMP, POWER SEAT Fuses, and HDLP, FUEL PUMP Relays
B+ Bus - Underhood Fuse Block
SPARE, IGN, and A/C COMP Fuses
SIR Caution for Zoning