GM Service Manual Online
For 1990-2009 cars only
Makes
🢒
Chevrolet
🢒
2004
🢒
Colorado Pickup - 2WD
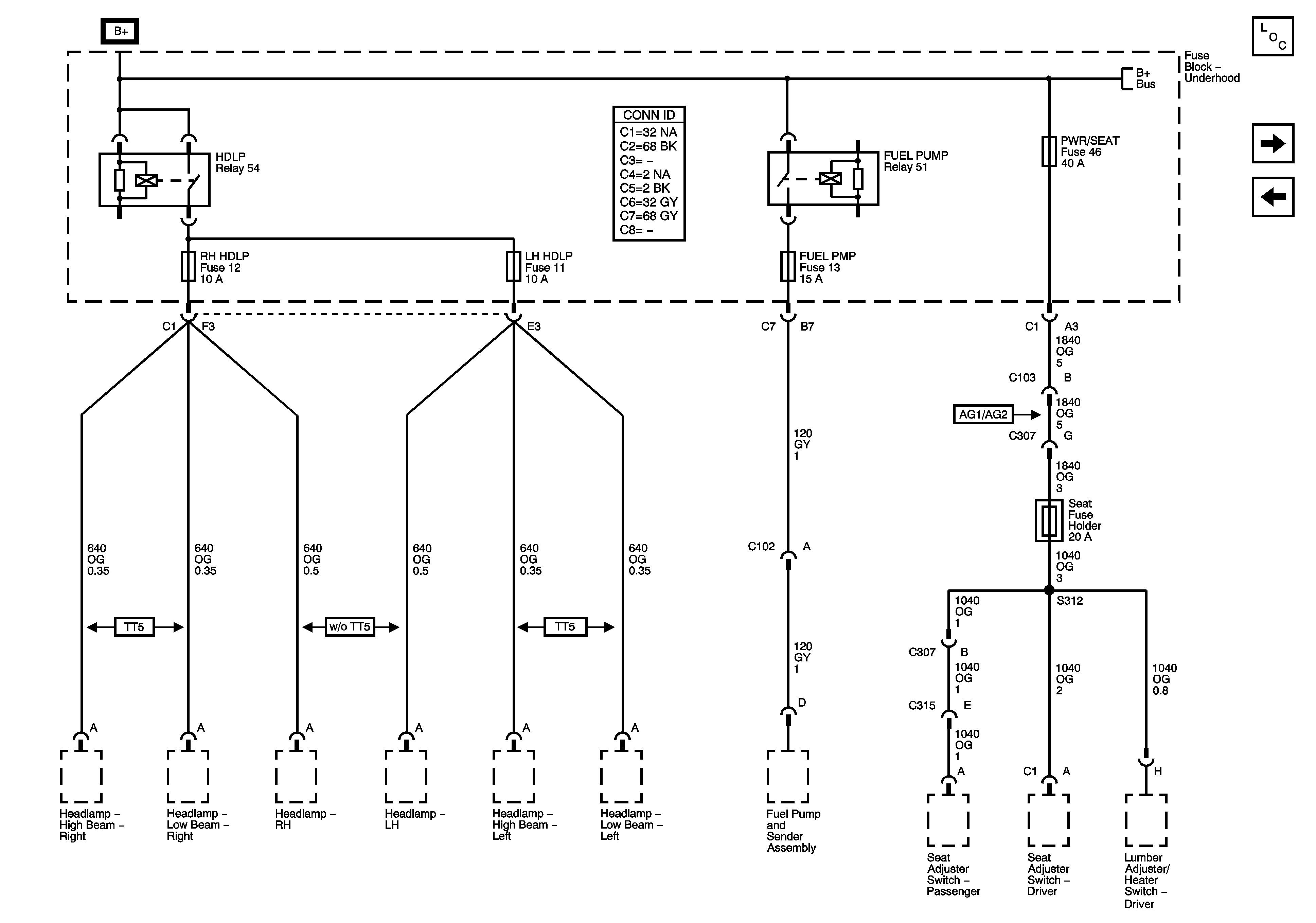
🢒 RH HDLP, LH HDLP, FUEL PMP, POWER SEAT Fuses, and HDLP, FUEL PUMP Relays
RH HDLP, LH HDLP, FUEL PMP, POWER SEAT Fuses, and HDLP, FUEL PUMP Relays
RH HDLP, LH HDLP, FUEL PMP, PWR/SEAT Fuses, HDLP, and FUEL PMP Relays
Master Electrical Component List
SIR, CRUISE/MISC, TRANS, BACK UP, and ABS Fuses
WIPER SW, PWR WDO, ETC, and 02 SENSOR Fuses