GM Service Manual Online
For 1990-2009 cars only
Makes
🢒
Chevrolet
🢒
2004
🢒
Colorado Pickup - 2WD
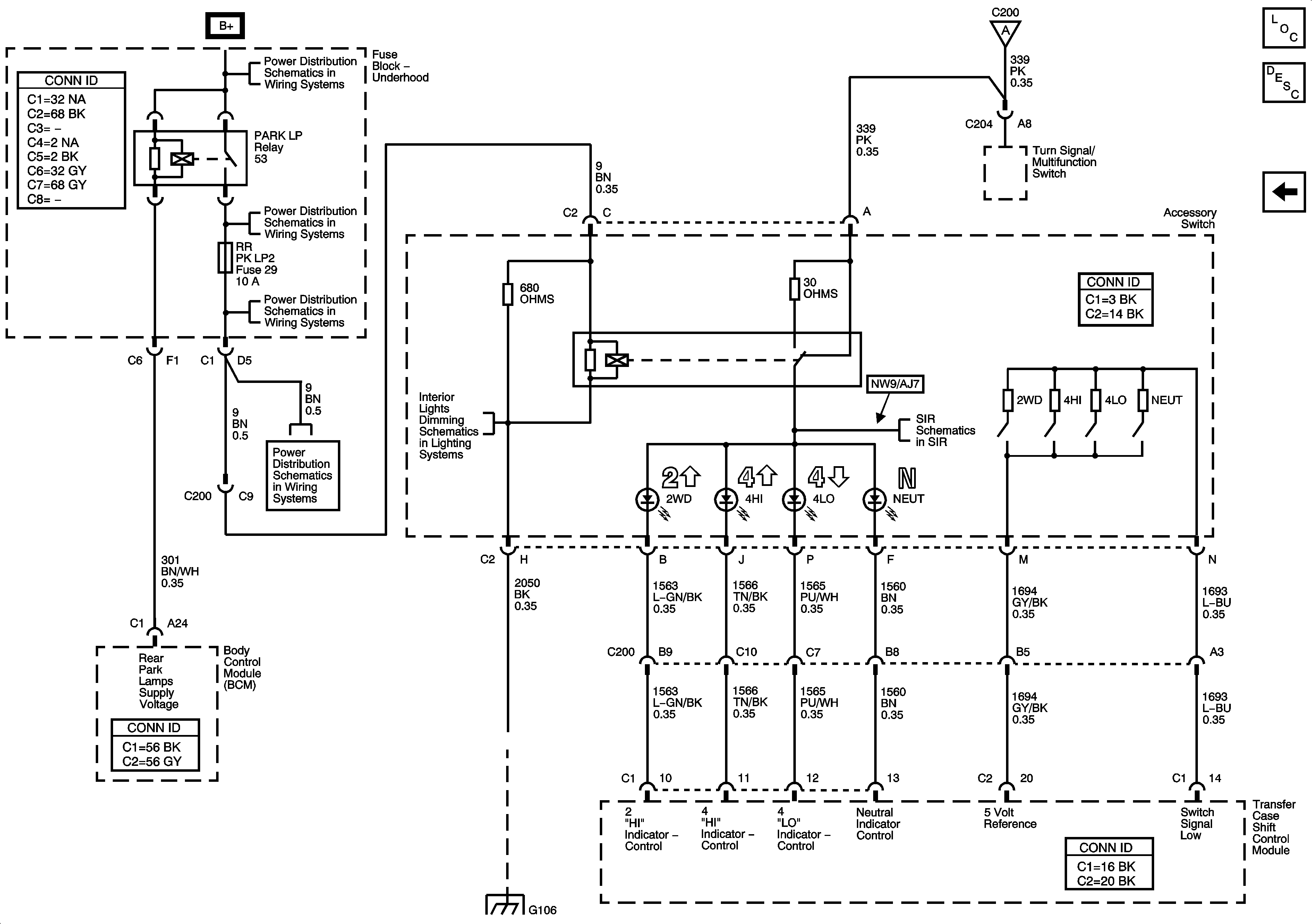
🢒 Shift Control Switch Inputs
Shift Control Switch Inputs
Shift Control Switch Inputs
Master Electrical Component List
Transfer Case Description and Operation
Front Axle Actuator
B+ Bus - Underhood Fuse Block
FRT PARK LAMP, REAR PARK LAMP #1, and REAR PARK LAMP #2 Fuses
FRT PARK LAMP, REAR PARK LAMP #1, and REAR PARK LAMP #2 Fuses
FRT PARK LAMP, REAR PARK LAMP #1, and REAR PARK LAMP #2 Fuses
Interior Lights Dimming
Splice Pack SP106 and G106 - 1 of 2
Power, Ground, and DLC