GM Service Manual Online
For 1990-2009 cars only
Makes
🢒
Chevrolet
🢒
2005
🢒
Colorado Pickup - 2WD
🢒 Right Door Regular and Extended Cab
Right Door Regular and Extended Cab
Right Door - Regular and Extended Cab
Master Electrical Component List
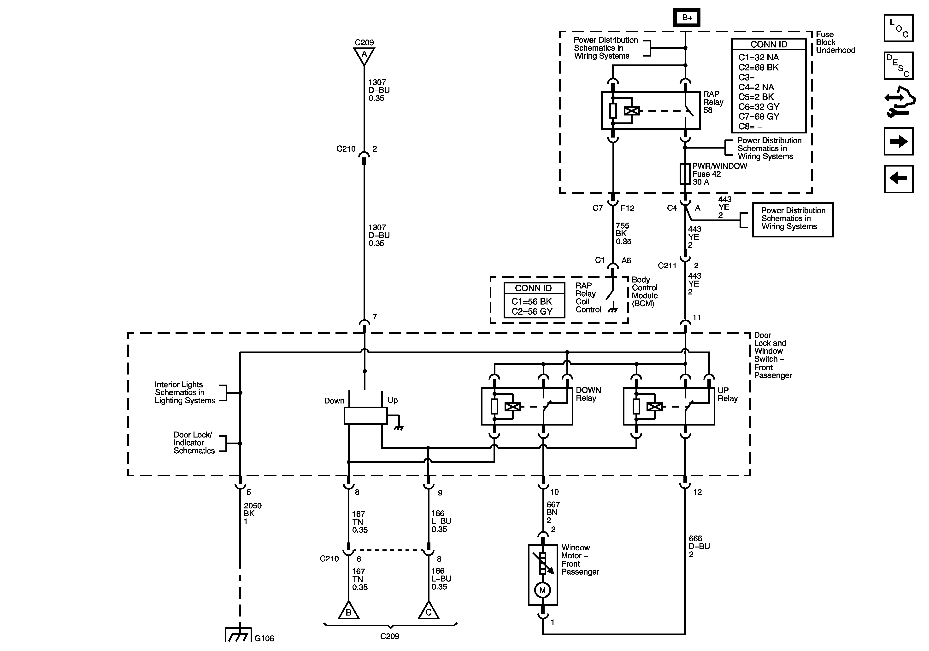
Power Windows Description and Operation
Body Control Module (BCM) Programming/RPO Configuration
Left Door Crew Cab
Left Door Regular and Extended Cab
Left Door Regular and Extended Cab
B+ Bus - Underhood Fuse Block
B+ Bus - Underhood Fuse Block
ETC, O2 SENSOR, PWR/WINDOW, SUNROOF, and WIP/WASH Fuses
Door Lock, Window Switches, and Outside Rearview Mirror Switches
Power Door Locks - Regular and Extended Cab
Splice Pack SP106 and G106 - 1 of 2
Left Door Regular and Extended Cab