GM Service Manual Online
For 1990-2009 cars only
Makes
🢒
Chevrolet
🢒
2005
🢒
Colorado Pickup - 2WD
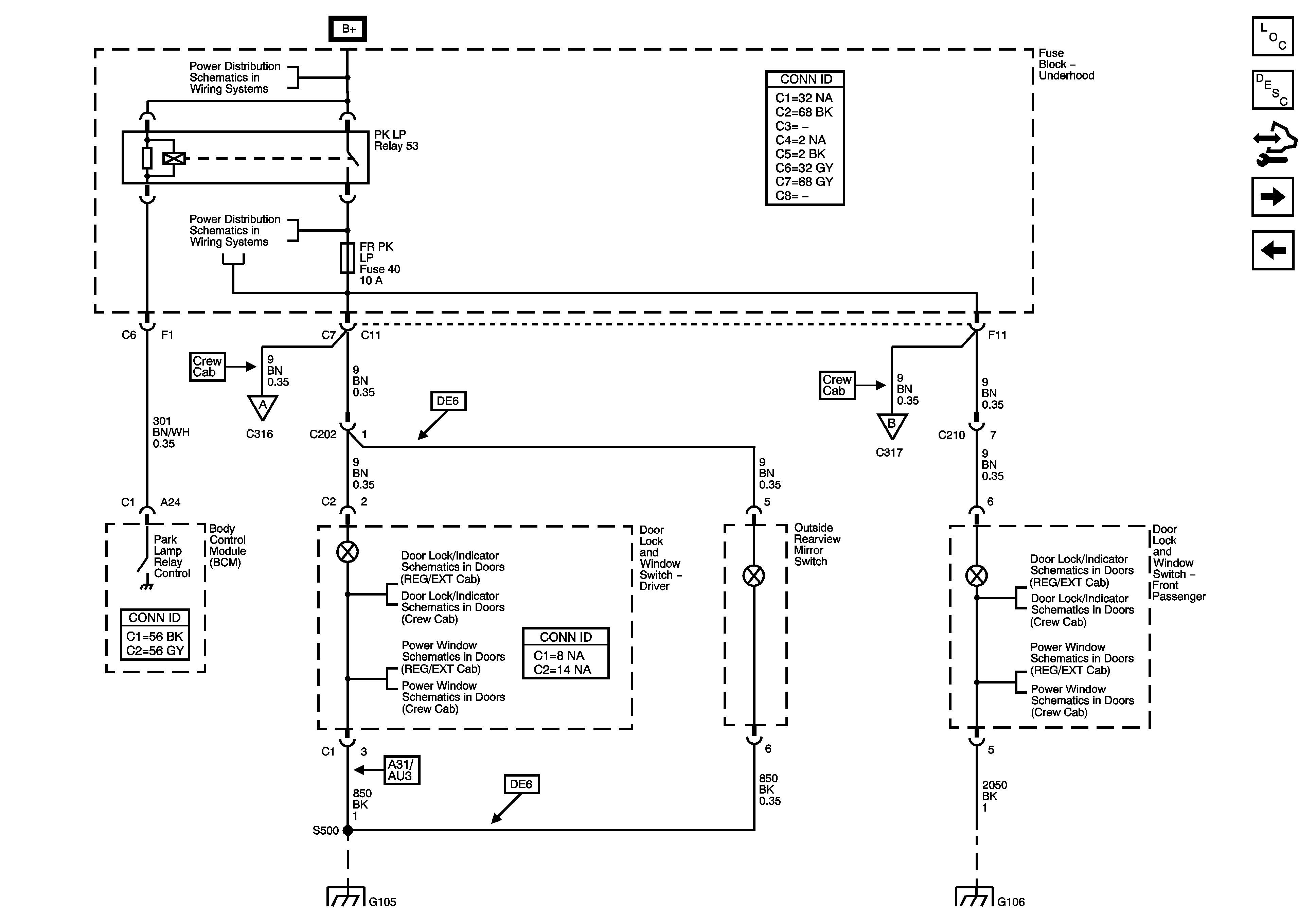
🢒 Door Lock, Window Switches, and Outside Rearview Mirror Switches
Door Lock, Window Switches, and Outside Rearview Mirror Switches
Door Lock, Window Switches, and Outside Rearview Mirror Switch
Master Electrical Component List
Exterior Lighting Systems Description and Operation
Body Control Module (BCM) Programming/RPO Configuration
Door Jamb Switch
Inside Rearview Mirror, Dome Lamp, Footwell Lamps, and Cargo Lamp
B+ Bus - Underhood Fuse Block
B+ Bus - Underhood Fuse Block
Door Jamb Switch
Door Jamb Switch
Power Door Locks - Regular and Extended Cab
Power Door Locks - Crew Cab
Right Door Regular and Extended Cab
Right Door Crew Cab
Power Door Locks - Regular and Extended Cab
Power Door Locks - Crew Cab
Right Door Regular and Extended Cab
Right Door Crew Cab
Splice Pack SP105 and G105 - 1 of 2
Splice Pack SP106 and G106 - 1 of 2