GM Service Manual Online
For 1990-2009 cars only
Makes
🢒
Chevrolet
🢒
2005
🢒
Colorado Pickup - 2WD
🢒 Control Module
Control Module
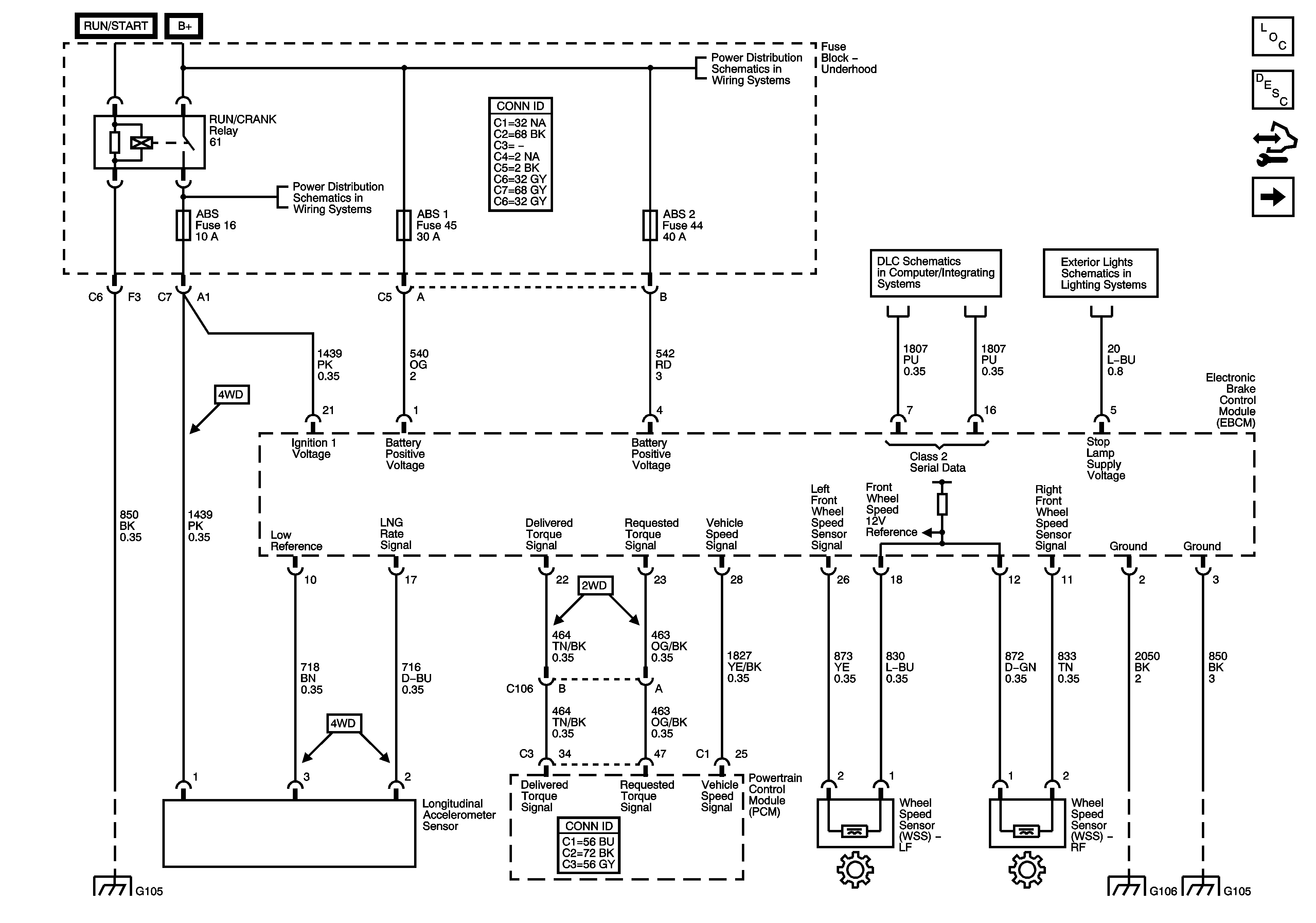
Power, Ground, and Electronic Brake Control Module
Master Electrical Component List
ABS Description and Operation
Body Control Module (BCM) Programming/RPO Configuration
Traction Control
B+ Bus - Underhood Fuse Block
B+ Bus - Underhood Fuse Block
Data Link Connector (DLC) Schematics
Stop Lamps and License Lamps
Splice Pack SP105 and G105 - 1 of 2
Splice Pack SP106 and G106 - 1 of 2
Splice Pack SP105 and G105 - 1 of 2