GM Service Manual Online
For 1990-2009 cars only
Makes
🢒
Chevrolet
🢒
2005
🢒
Colorado Pickup - 2WD
🢒 Fuel Controls - Fuel Pump Controls
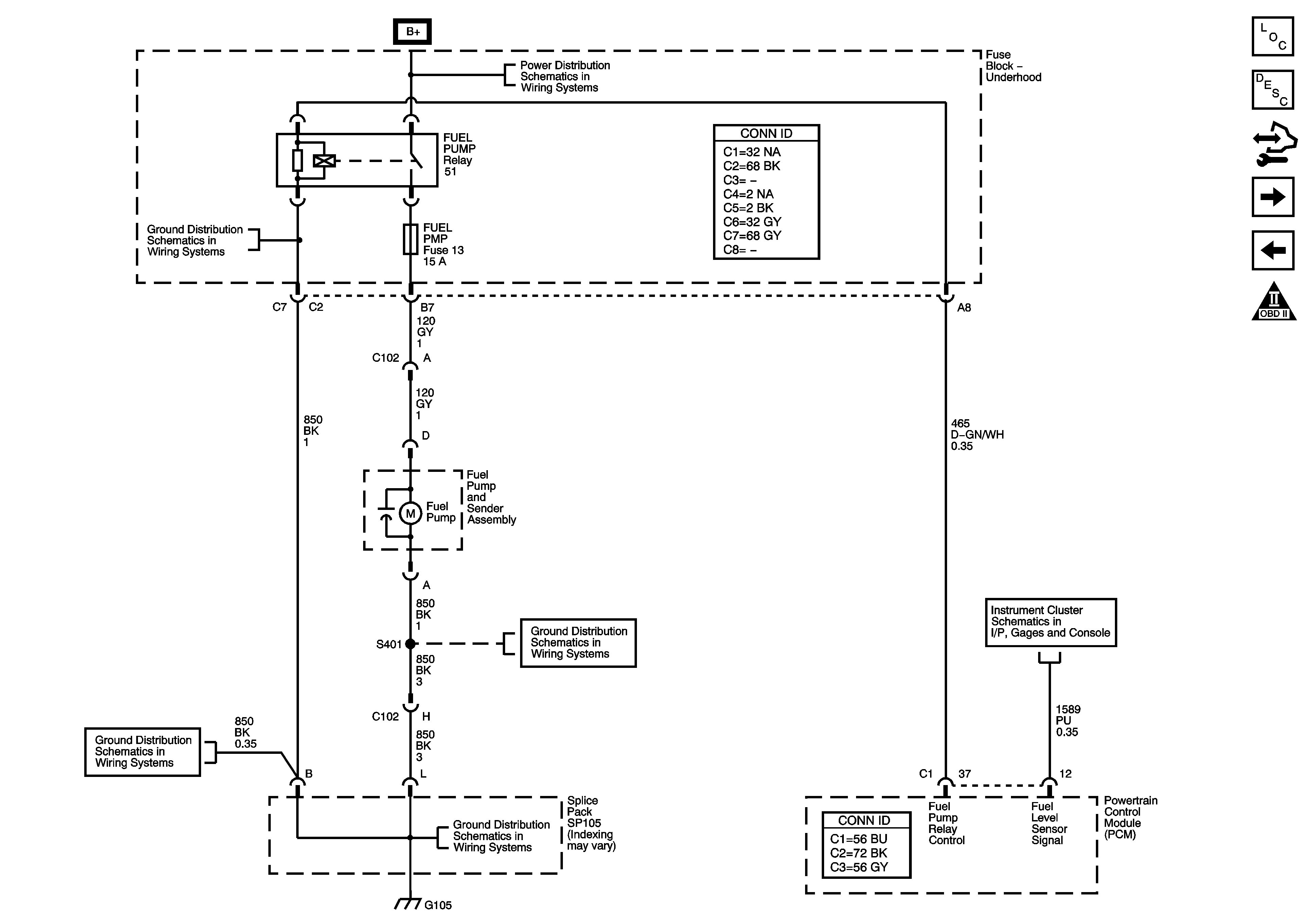
Fuel Controls - Fuel Pump Controls
Fuel Controls - Fuel Pump Controls
Master Electrical Component List
Fuel System Description
Body Control Module (BCM) Programming/RPO Configuration
Fuel Controls - Fuel Injectors
Ignition Controls - Ignition System
Engine Controls Schematic Icons
B+ Bus - Underhood Fuse Block
B+ Bus - Underhood Fuse Block
Splice Pack SP105 and G105 - 1 of 2
Splice Pack SP105 and G105 - 2 of 2
Splice Pack SP105 and G105 - 1 of 2
Gages