GM Service Manual Online
For 1990-2009 cars only
Makes
🢒
Chevrolet
🢒
2007
🢒
Colorado Pickup - 2WD
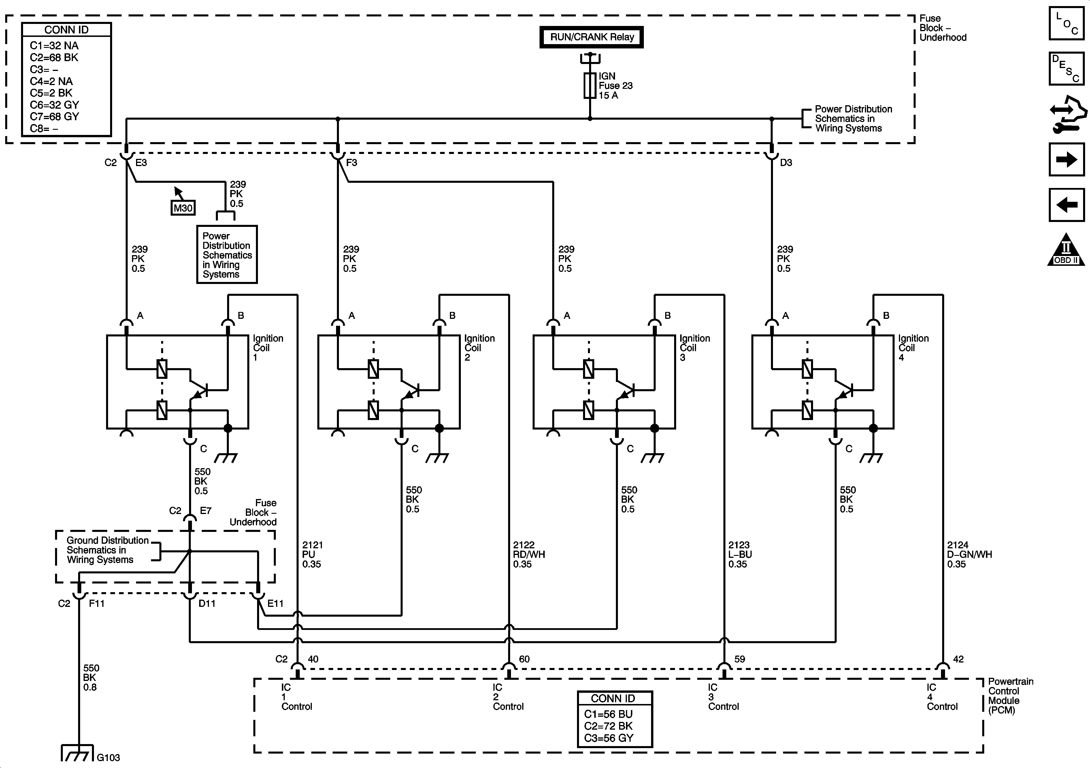
🢒 Ignition COntrols - Ignition Systems
Ignition COntrols - Ignition Systems
Ignition Controls - Ignition System
Master Electrical Component List
Knock Sensor (KS) System Description
Body Control Module (BCM) Programming/RPO Configuration
Fuel Controls - Fuel Pump Controls
Engine Data Sensors - Injection Timing Controls
Engine Controls Schematic Icons
Module Power, Ground, Serial Data, and MIL
RUN/CRANK RELAY BUS - 2 of 3, CRUISE, SIR, and TRANS Fuses
RUN/CRANK RELAY BUS - 2 of 3, CRUISE, SIR, and TRANS Fuses
G100, G104, G102, G103, and G101
G100, G104, G102, G103, and G101