GM Service Manual Online
For 1990-2009 cars only
Makes
🢒
Chevrolet
🢒
2007
🢒
Colorado Pickup - 2WD
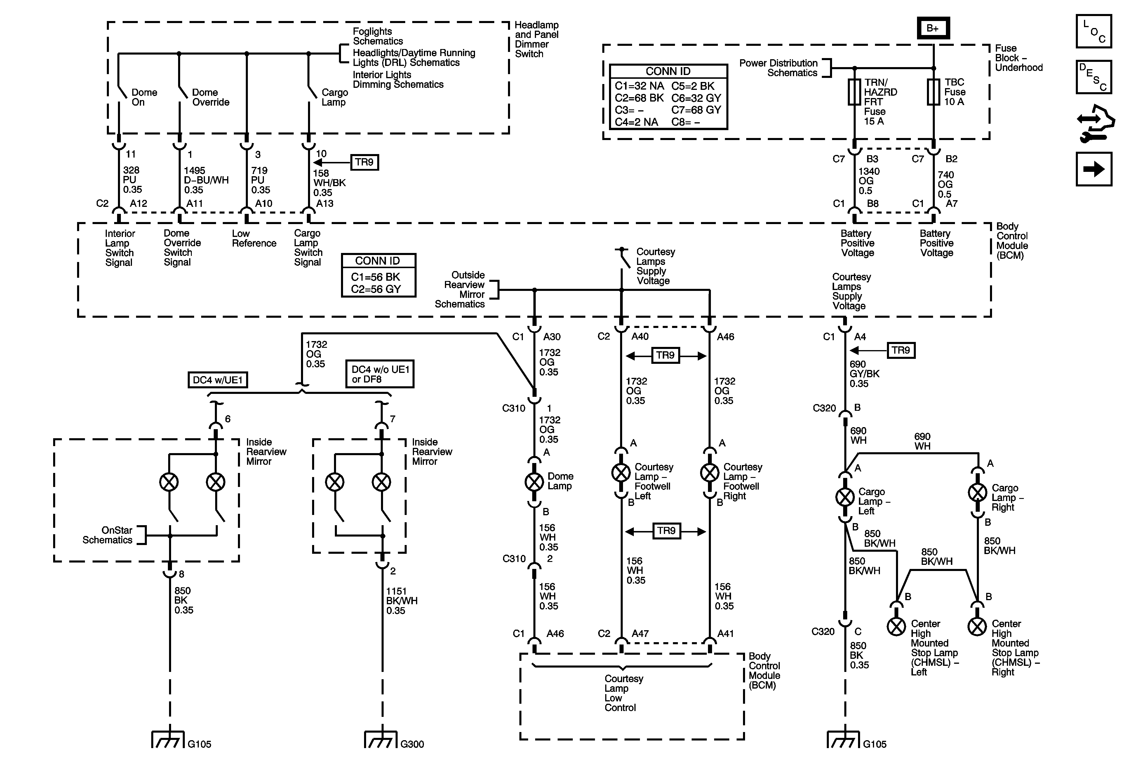
🢒 Inside Rearview Mirror, Dome Lamp, Footwell Lamps, and Cargo Lamp
Inside Rearview Mirror, Dome Lamp, Footwell Lamps, and Cargo Lamp
Inside Rearview Mirror, Dome Lamp, Footwell Courtesy Lamps, and Cargo Lamp
Master Electrical Component List
Interior Lighting Systems Description and Operation
Body Control Module (BCM) Programming/RPO Configuration
Door Lock, Window Switches, and Outside Rearview Mirror Switch
Fog Lights
w/TT5
w/o TT5
Interior Lights Dimming Schematics
B+ Bus - Underhood Fuse Block
Outside Rearview Mirror Schematics
OnStar Schematics
Splice Pack SP105 and G105 - 1 of 2
G300, G301, and G302
Splice Pack SP105 and G105 - 1 of 2