GM Service Manual Online
For 1990-2009 cars only
Makes
🢒
Chevrolet
🢒
2007
🢒
Colorado Pickup - 2WD
🢒 Power, Ground, Serial Data, and Controlled/Monitored Subsystem Reference
Power, Ground, Serial Data, and Controlled/Monitored Subsystem Reference
Power, Ground, Serial Data, and Controlled/Monitored Subsystem References
Master Electrical Component List
Body Control System Description and Operation
Body Control Module Programming and Setup
Subsystem References to Theft, Horn, Seat Belt, Outside Mirror, Power Moding, Brake Warning, ABS, and Wiper/Washer
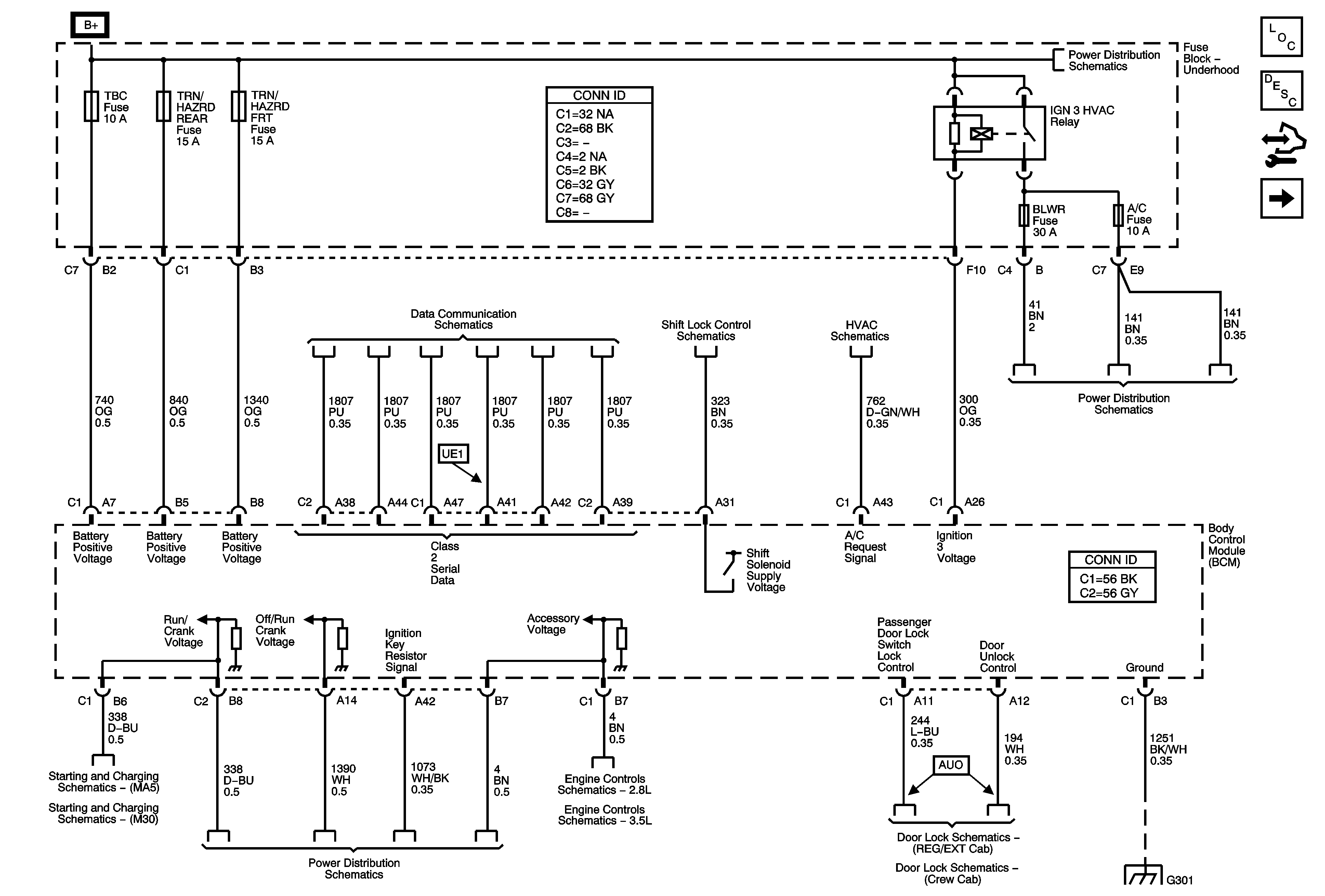
B+ Bus - Underhood Fuse Block
Data Communication Schematics
Shift Lock Control Schematics
Primary Blower and Air Delivery Controls
A/C, BLOWER, DOOR LOCK, HTD SEAT, ONSTAR, TBC, TURN/HAZ FR, and TURN/HAZ RR Fuses
Starting System - MA5
Starting System - M30
Ignition Switch and IGN TRANS D Fuse
Module Power, Ground, Serial Data, and MIL
Power, Ground, Serial Data, and MIL
Power Door Locks, Regular and Extended Cab
Power Door Locks - Crew Cab
G300, G301, and G302