GM Service Manual Online
For 1990-2009 cars only
Makes
🢒
Chevrolet
🢒
2005
🢒
Colorado Pickup - 4WD
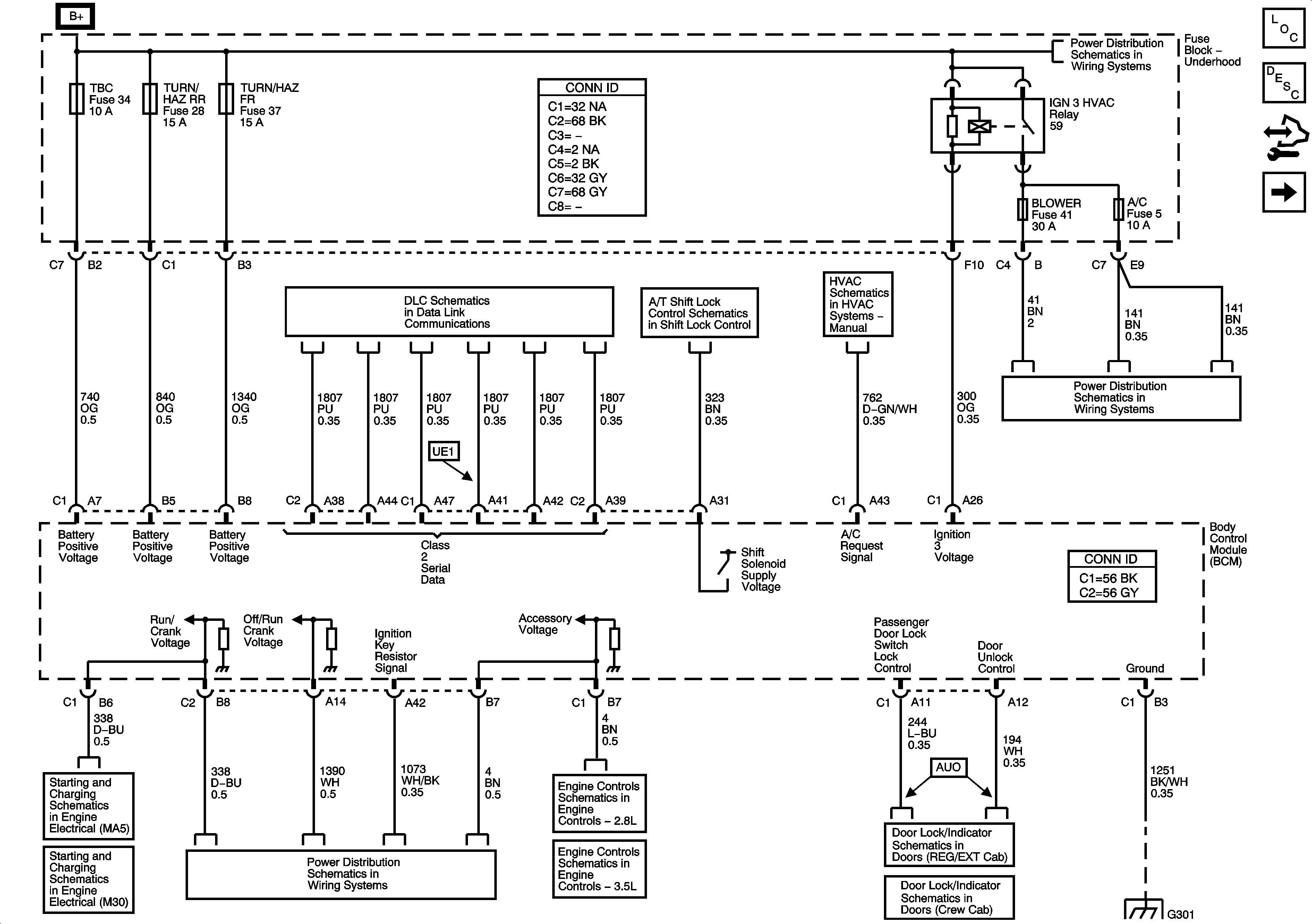
🢒 Power, Ground, Serial Data, and Controlled/Monitored Subsystem References
Power, Ground, Serial Data, and Controlled/Monitored Subsystem References
Power, Ground, Serial Data, and Controlled/Monitored Subsystem Reference
Master Electrical Component List
Body Control System Description and Operation
Body Control Module (BCM) Programming/RPO Configuration
Subsystem References to Theft, Horn, Seat Belt, Outside Mirror, RAP, Brake Warning, ABS, and Wiper/Washer
B+ Bus - Underhood Fuse Block
Data Link Connector (DLC) Schematics
Shift Lock Control Schematics
Primary Blower and Air Delivery Controls - C60/C42
A/C, BLOWER, HTD SEAT, TBC, TURN/HAZ FR, and TURN/HAZ RR Fuses
Starting and Charging - MA5
Starting System - M30
Ignition Switch and IGN TRANS D Fuse
Module Power, Ground, Serial Data, and MIL
Module Power, Ground, Serial Data, and MIL
Power Door Locks - Regular and Extended Cab
Power Door Locks - Crew Cab
G300, G301, G302, and G303