GM Service Manual Online
For 1990-2009 cars only
Makes
🢒
Chevrolet
🢒
1999
🢒
Corvette
🢒 Fuel Controls, Fuel Gauge
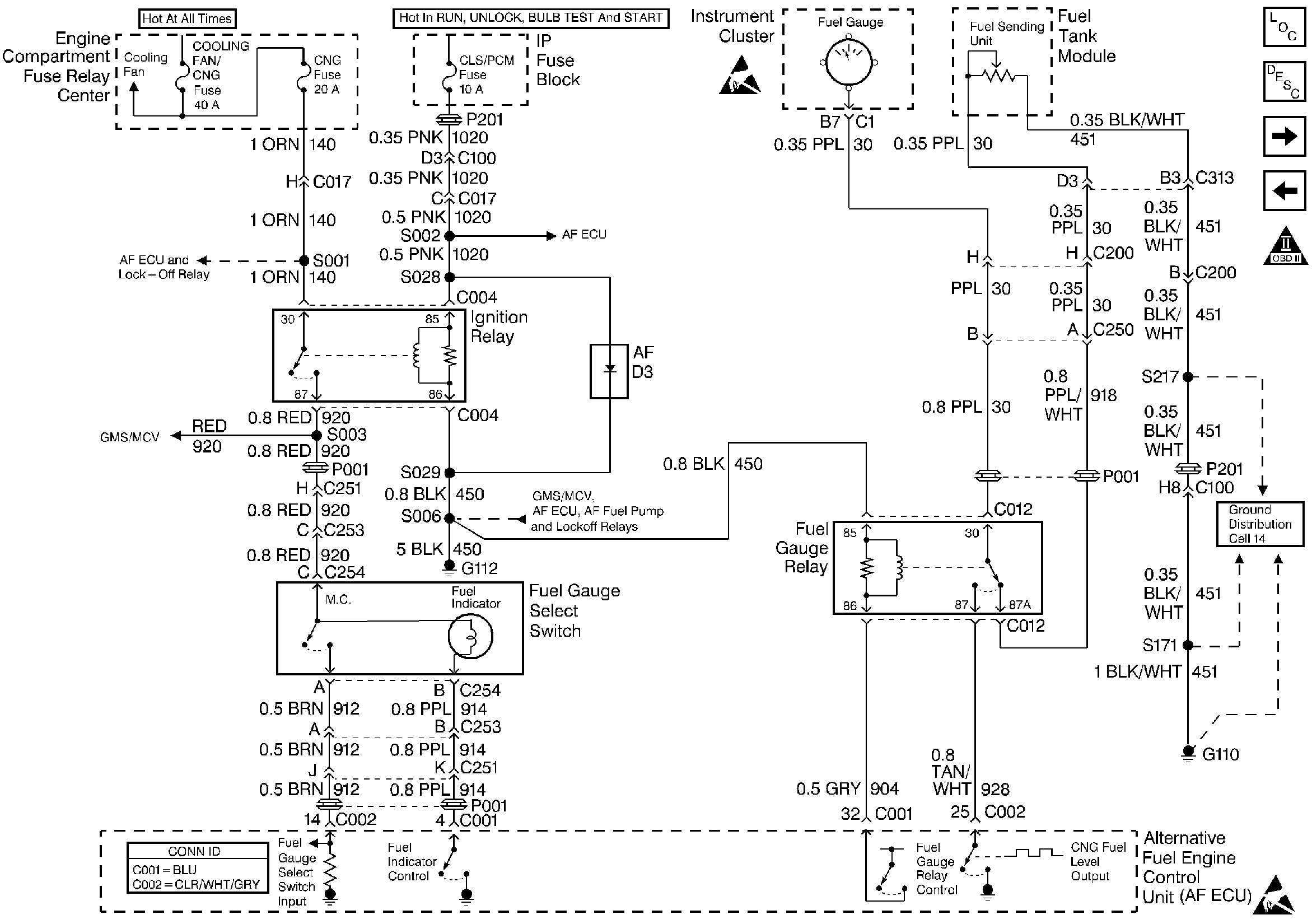
Fuel Controls, Fuel Gauge
Fuel Controls, Fuel Gauge
Engine Controls Components
Alternative Fuel Engine Control Unit
Engine Data Sensors, ECT, IAT, TP and MAP
Fuel Controls, Lock-Off Solenoid
OBD II Symbol Description Notice
Handling ESD Sensitive Parts Notice
Handling ESD Sensitive Parts Notice