GM Service Manual Online
For 1990-2009 cars only
Makes
🢒
Chevrolet
🢒
2000
🢒
Corvette
🢒
Body and Accessories
🢒
Entertainment
🢒 Power Antenna Schematics
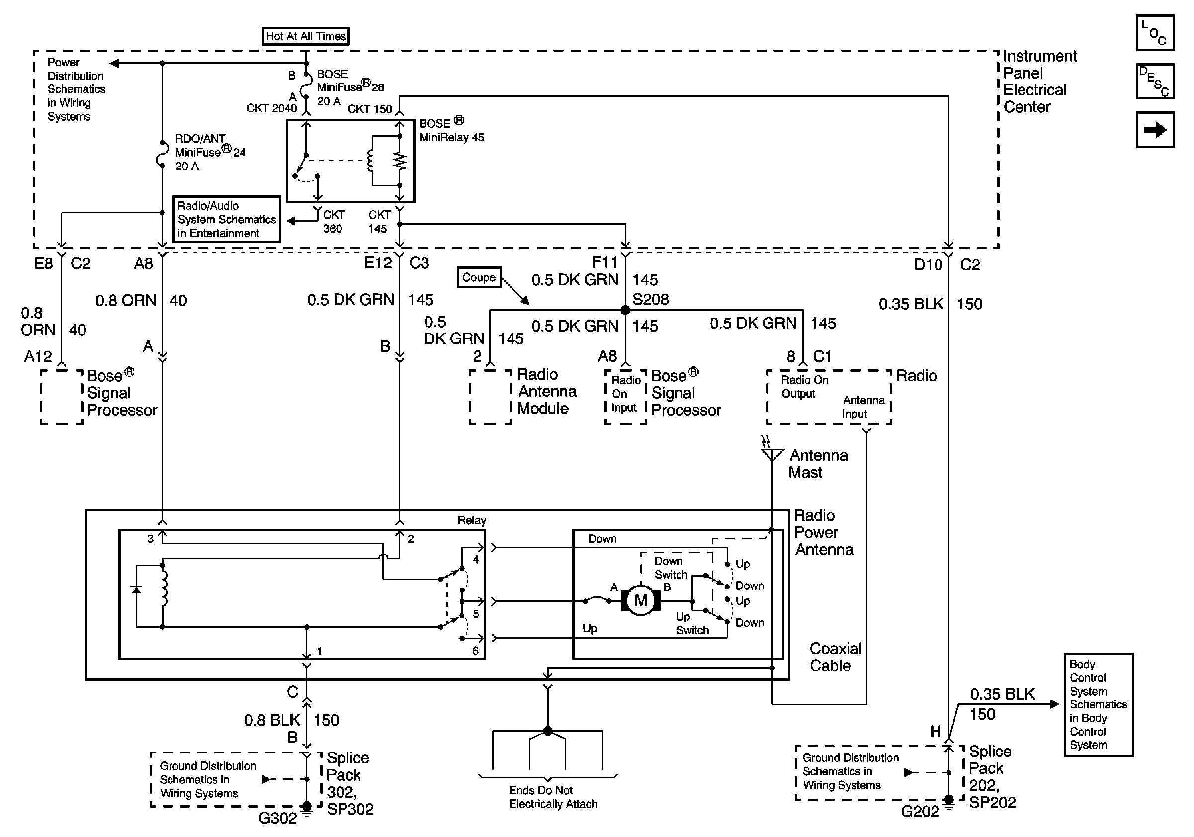
Figure
1:
Power Antenna
Entertainment Components
Radio/Audio System Circuit Description
Fixed Antenna and Radio Antenna Module
Power Distribution Schematics
Ground Distribution Schematics
Ground Distribution Schematics
Body Control System Schematics
Radio/Audio System Schematics
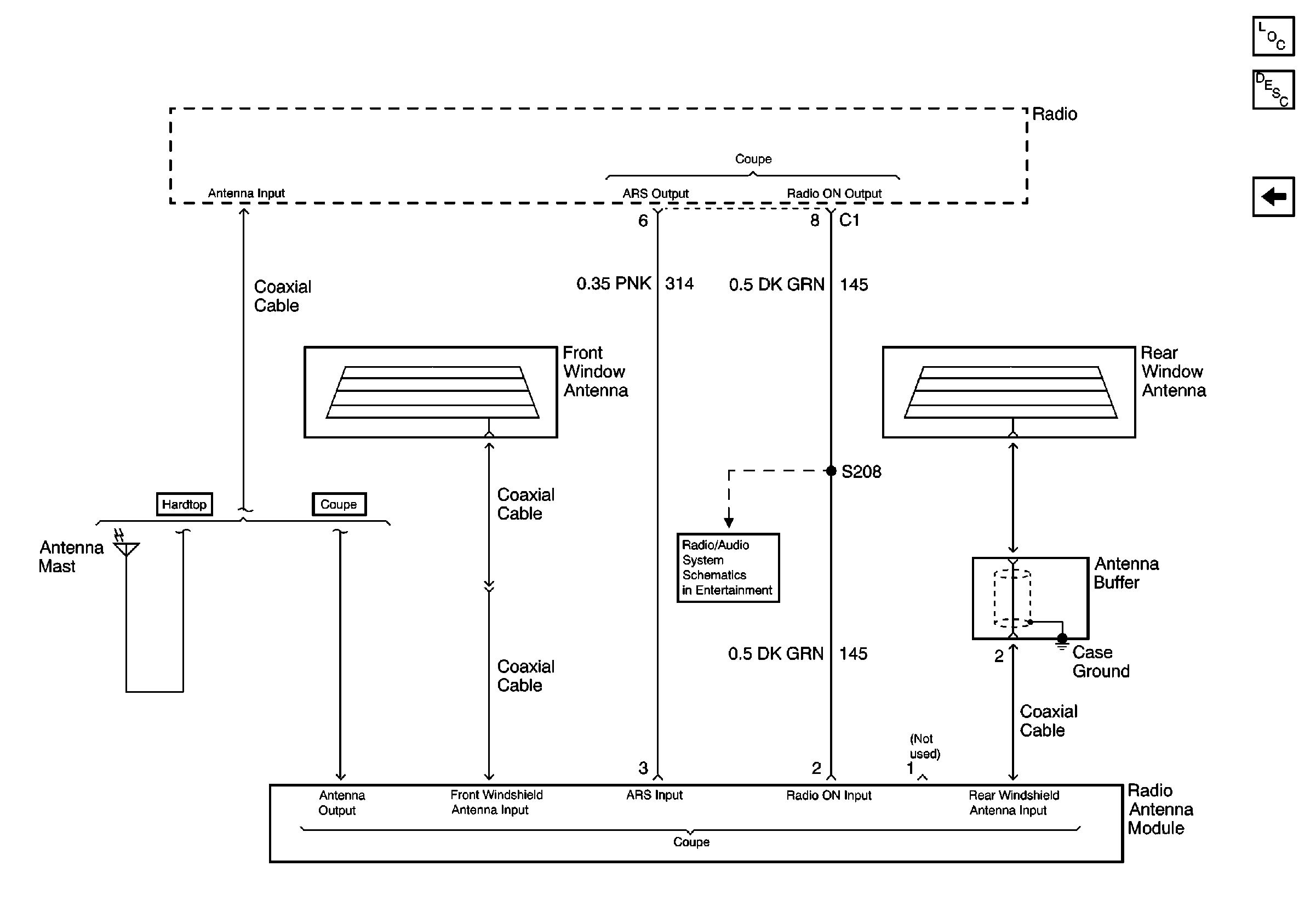
Figure
2:
Fixed Antenna and Radio Antenna Module
Entertainment Components
Radio/Audio System Circuit Description
Power Antenna
Radio/Audio System Schematics