GM Service Manual Online
For 1990-2009 cars only
Makes
🢒
Chevrolet
🢒
2000
🢒
Corvette
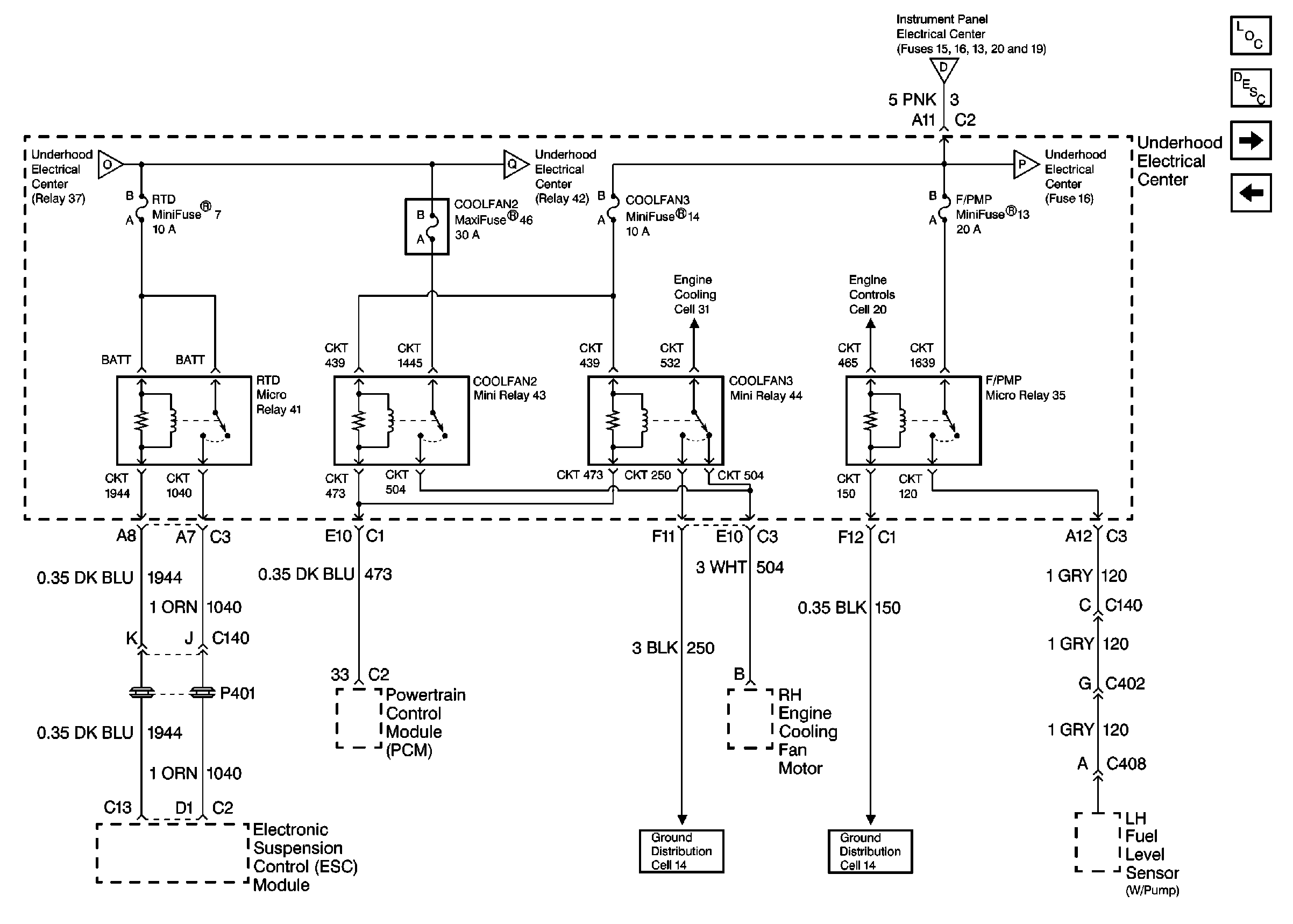
🢒 Cell 10: U/H Fuses 7, 46, 14, 13, Relays 41, 43, 44, 35
Cell 10: U/H Fuses 7, 46, 14, 13, Relays 41, 43, 44, 35
Cell 10: U/H Fuses 7, 46, 14, 13, Relays 41, 43, 44, 35
Power and Grounding Components
Cell 10: U/H Fuses 16, 19, Relay 42
Cell 10: U/H Fuses 1, 15, 5, Relay 37
Cell 10: U/H Fuses 16, 19, Relay 42
Cell 10: I/P Fuses 15, 16, 13, 20, 19
Cell 14: SP122, G106, G105
Cell 14: SP101, SP100, G101, G102
Cell 31
Cell 10: U/H Fuses 16, 19, Relay 42
Cell 10: U/H Fuses 1, 15, 5, Relay 37
Cell 20: Fuel Pump, Fuel Level Sensors and Fuel Tank Pressure Sensor