GM Service Manual Online
For 1990-2009 cars only
Makes
🢒
Chevrolet
🢒
2000
🢒
Corvette
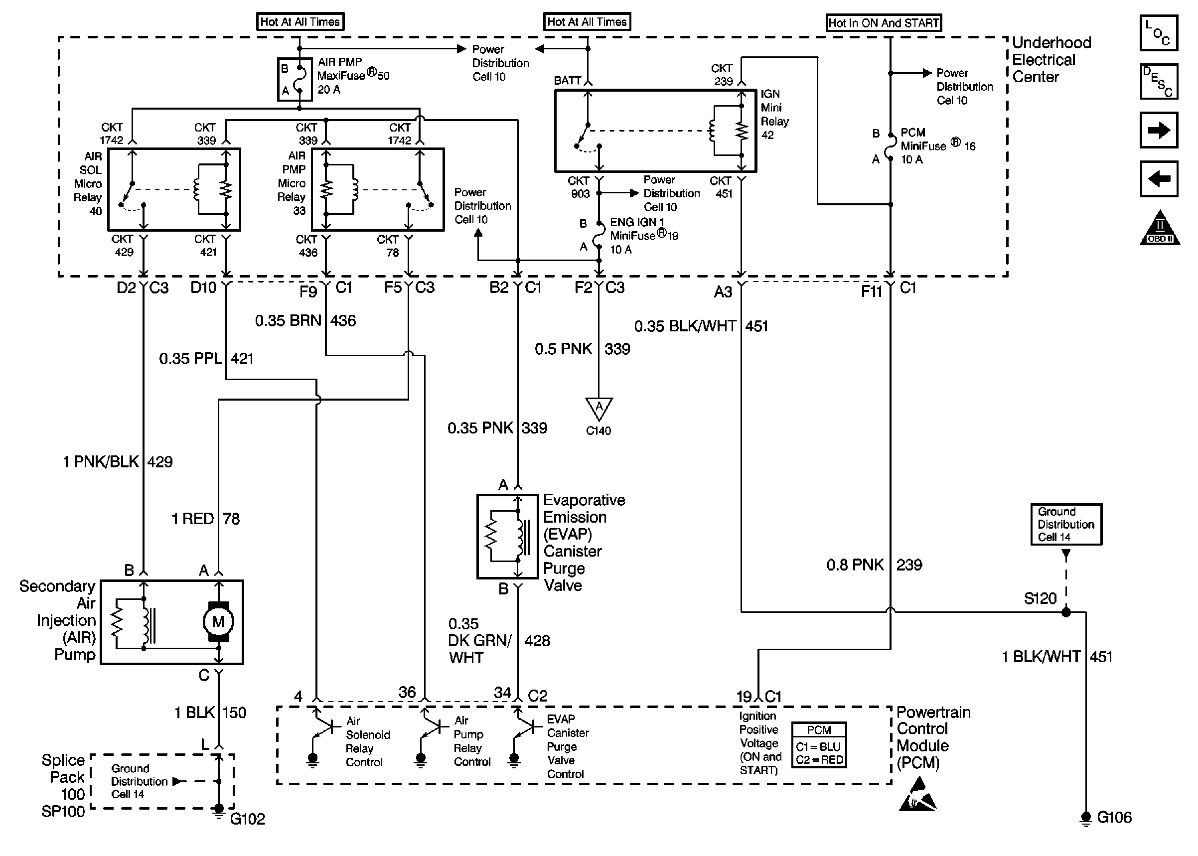
🢒 Cell 20: EVAP and AIR
Cell 20: EVAP and AIR
Cell 20: EVAP and AIR
Engine Controls Components
Evaporative Emission Control System Operation Description
Cell 20: Evaporative Emissions Vent Valve Solenoid
Cell 20: Heated Oxygen Sensors (HO2S)
OBD II Symbol Description Notice
Cell 10: U/H Fuses 7, 46, 14, 13, Relays 41, 43, 44, 35
Cell 14: SP122, G106, G105
Handling ESD Sensitive Parts Notice
Powertrain Control Module Connector End Views
Cell 20: Evaporative Emissions Vent Valve Solenoid
Cell 10: U/H Fuses 16, 19, Relay 42
Cell 10: U/H Fuses 16, 19, Relay 42
Cell 10: U/H Fuses 16, 19, Relay 42
Cell 14: SP101, SP100, G101, G102