GM Service Manual Online
For 1990-2009 cars only
Makes
🢒
Chevrolet
🢒
2000
🢒
Corvette
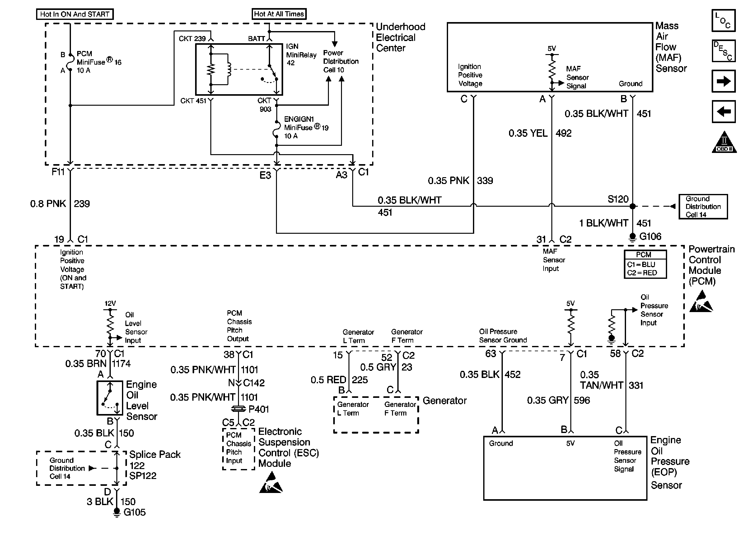
🢒 Cell 20: Miscellaneous
Cell 20: Miscellaneous
Cell 20: Miscellaneous
Engine Controls Components
Information Sensors/Switches Description
Cell 20: A/C Compressor Controls
Cell 20: Park Neutral Position Switch
OBD II Symbol Description Notice
Cell 14: SP122, G106, G105
Handling ESD Sensitive Parts Notice
Powertrain Control Module Connector End Views
Handling ESD Sensitive Parts Notice
Cell 10: U/H Fuses 16, 19, Relay 42
Cell 14: SP122, G106, G105