GM Service Manual Online
For 1990-2009 cars only
Makes
🢒
Chevrolet
🢒
2000
🢒
Corvette
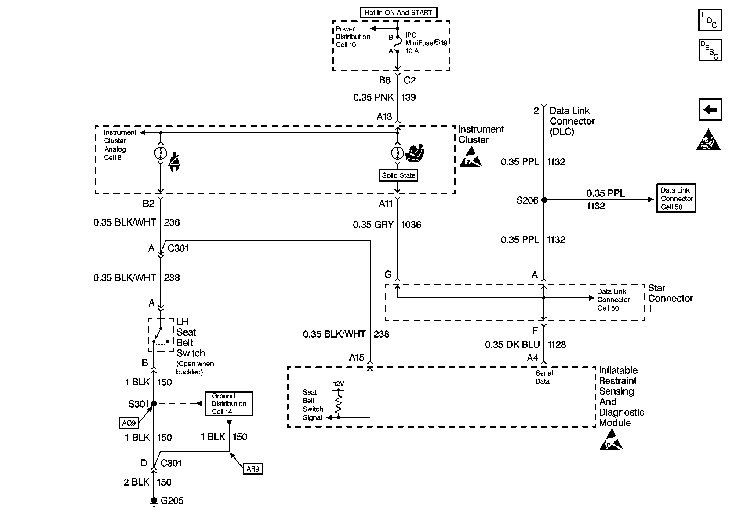
🢒 Cell 47: LH Seat Belt Switch and DLC
Cell 47: LH Seat Belt Switch and DLC
Cell 47: LH Seat Belt Switch and DLC
Cell 47: Power and Ground
SIR Handling Caution
Class 2 Serial Data Cell 50
Class 2 Serial Data Cell 50
Handling ESD Sensitive Parts Notice
Handling ESD Sensitive Parts Notice
Cell 10: I/P Fuses 15, 16, 13, 20, 19
Cell 14: G205
SIR Components
SIR System Operation
Cell 81: Indicators